CITEL DS240S DIN Rail DC Power Surge Suppressors
CITEL DS240S DIN Rail DC Power Surge Suppressors are designed to be installed inside of an enclosure and in very close proximity to the sensitive equipment that is being protected. These devices are IEC Type 2 DC surge protectors ranging from 95VDC to 350VDC and are wired in series or parallel with the load. The DS240S devices also offer MOV technology with common-mode protection.Features
- MOV technology
- Common mode protection
- Symmetrical 35mm DIN rail mounting
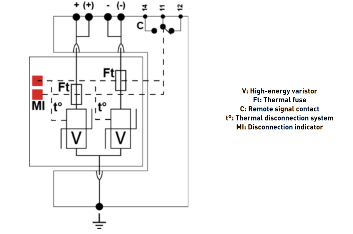
- Disconnection via fuse-link fail-safe behavior
- Visual indicator and remote contacts
- IP20 protection, NEMA 2
- IEC 61643-11, EN 61643-11, and UL1449 ed.4 compliant
- RoHS compliant
Specifications
- 20A maximum load current
- Discharge current
- 40kA maximum discharge current
- 80kA total maximum
- 95V to 350V power rating range
- -40°C to +85°C operating temperature range
- Thermoplastic UL94V-0 housing material
- 0.30lbs (0.111kg) in weight
- Screw terminal network connection, 1.5mm2 to 10mm2 active wires and 2.5mm2 to 25mm2 ground
- 2W+G network configuration
Schematic
Videos
View Results ( 5 ) Page
| 零件編號 | 規格書 | 說明 |
|---|---|---|
| DS240S-130DC | ![]() |
工業突波保護器 Din Rail DC Power Surge Suppressor, 130Vdc, 40kA 8/20 s |
| DS240S-220DC | ![]() |
工業突波保護器 Din Rail DC Power Surge Suppressor, 220Vdc, 40kA 8/20 s |
| DS240S-350DC | ![]() |
工業突波保護器 DC Rail Power Surge Suppressor, 350Vdc, 40kA 8/20 s |
| DS240S-95DC | ![]() |
工業突波保護器 Din Rail DC Power Surge Suppressor, 95Vdc, 40kA 8/20 s |
| DS240S-280DC | ![]() |
工業突波保護器 DC Rail Power Surge Suppressor, 280Vdc, 40kA 8/20 s |
發佈日期: 2021-04-20
| 更新日期: 2022-03-11

