Digi XBee® 3 Zigbee 3.0 Modules
Digi XBee® 3 Zigbee 3.0 Modules accelerate time to market for designers, OEMs, and solution providers by quickly enabling wireless connectivity and easy-to-add functionality. These modules feature a faster time to deployment and also offer the flexibility to switch between multiple wireless protocols and frequencies as needed. The XBee 3 modules offer a fully interoperable ecosystem that covers various market verticals, including smart energy, building automation, intelligent lighting, and digital health. These modules can be easily configured and controlled from a simple and central platform using the Digi Remote Manager®. The XBee 3 modules are protected against new and evolving cyber threats using the built-in Digi TrustFence® security, data privacy, and identity features. These modules are programmed for DigiMesh or 802.15.4 and feature a 13mm x 19mm micro form factor that allows for more compact and portable applications.Features
- Silicon Labs EFR32MG SoC transceiver chipset
- Zigbee® 3.0 protocol
- 128/256 bit AES encryption
- 16 channels
- UART, SPI, and I2C serial data interfaces
- API or AT commands, local, or Over-The-Air (OTA) configuration method
- ISM 2.4GHz frequency band
- Direct Sequence Spread Spectrum (DSSS) interface immunity
- Programmed for DigiMesh or 802.15.4
- Faster time to deployment
- Antenna options:
- Through-hole:
- PCB antenna, U.FL connector, and RPSMA connector
- SMT:
- RF Pad, PCB Antenna, or U.FL connector
- Micro:
- U.FL antenna, RF pad, and chip antenna
- Through-hole:
- 1MB / 128KB RAM (32KB are available for MicroPython) memory
Specifications
- RF 250Kbps and serial up to 1Mbps data rate
- Up to 60m indoor/urban range
- Up to 1200m outdoor/rf line-of-sight range
- 8dBm transmit power
- -103dBm normal mode receiver sensitivity
- 4 x 10-bit ADC inputs
- 15 x digital I/O
- 2.1V to 3.6V supply voltage range
- 40mA transmit current @ 8dBm
- 17mA receive current
- -40°C to +85°C operating temperature range
Application Example
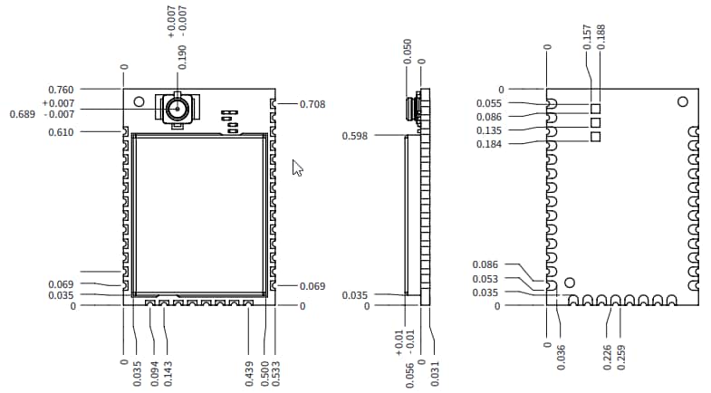
Product Dimensions (mm)
發佈日期: 2021-01-29
| 更新日期: 2024-03-01
