Digital View SVX-1920-PRO LCD Controller Board
Digital View SVX-1920-PRO LCD Controller Board is an advanced LCD controller board for video signals up to 1080p/60 and LCD panel resolutions up to 1920 x 1920. The digital and analog input with board-mounted industry standard input connectors for easy enclosure design or a build option of internal headers. This board builds on the heritage of controller boards such as the SVX-1920-v3 and SVH-1920v2 with an extensive feature set to ensure suitability for many display applications. The SVX-1920-PRO board incorporates multi-panel timing support together with a wide selection of panel connection cables. This board also comes with other accessories together with system development documentation including 3D drawings.Features
- HDMI, DisplayPort, DVI, and VGA (ARGB)
- LVDS panel connection
- 10-bit, 1920 x 1200 WUXGA @60Hz
- Image flip (horizontal and vertical)
- RS-232, Ethernet control (optional), and I2C
- Up to 10-bit per color i.e, 1.06 billion colors
- Up / Downscaling to fit input to panel resolution
- Fast input port switching
- Onboard temperature sensor
- Support for options such as ambient light sensor and load factory defaults
- +12V/+24VDC ±5%, 4W (controller only)
- Plug and Play DDC 1.2/b compatible
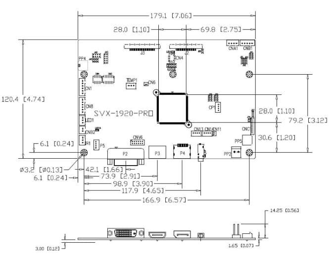
- Dimensions:
- 179mm x 120.4mm x 16.9mm3
Mechanical Drawing (mm)
發佈日期: 2022-01-18
| 更新日期: 2022-05-05
