Diodes Incorporated AL5887 I2C/SPI 36-Channel Linear RGB LED Driver
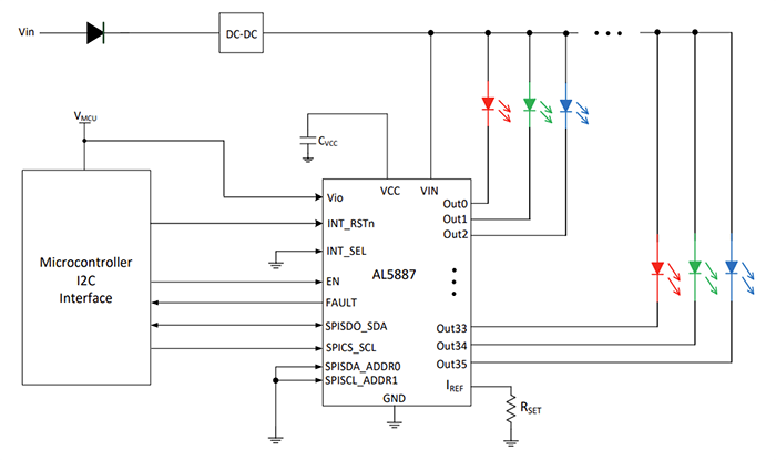
Diodes Incorporated AL5887 I2C/SPI 36-Channel Linear RGB LED Driver features 36x programmable LED current channels, each with internal 12-bit PWM for color/brightness control. AL5887 is ideal for up to 12x RGB LED module lighting applications with three programmable banks (A, B, and C) for software control of each color. An external resistor sets up the global output current of all 36x channels. Each channel current digitally configures up to 70mA under the thermal limits of the package. The AL5887 is available in a 6mm x 6mm W-QFN6060-52/SWP (Type A1) package with operation over a -40°C to +85°C ambient temperature range.Features are controlled via an SPI / I2C digital interface using a dedicated pin INT_SEL to select either protocol. The AL5887 provides a 30kHz, 12-bit PWM generator for each channel and channel / module-independent color mixing and brightness control registers. The registers enable vivid LED effects with zero audible noise. The Diodes Incorporated AL5887 offers ultra-low shutdown IQ Power Saving Mode and easy software programming.
Features
- 2.7V to 5.5V input range
- 36x precision LED current sinks
- 5.5V maximum OUT pins voltage
- Up to 70mA per channel current (maximum)
- <2% device-to-device current accuracy from 7mA to 70mA
- <3.5% channel-to-channel current accuracy from 1mA to 7mA
- 12-bit (4096 steps), 30kHz PWM generator integrated for each channel
- PWM phase shifting
- 6-Bit global current dimming
- Independent color-mixing register per channel
- Independent brightness control register per RGB module
- Optional logarithmic- or linear-scale brightness control
- 3x programmable banks (A, B, C)
- Serial digital interface (I2C/SPI)
- Supports 400kHz I2C interface (default)
- 2x external hardware address pins allow connecting up to 4x devices (I2C only)
- 2MHz SPI compatible digital interface (INT_SEL pin = HIGH)
- Broadcast slave address allows configuring multiple devices simultaneously
- Auto-increment allows writing or reading consecutive registers within one transmission
- Diagnosis and protection status read through a digital interface
- Open drain FAULT pin for fault indication
- Individual LED channel open/short detection
- Pre-UVLO warning and Under Voltage Lock-out (UVLO)
- Over-temperature Protection (OTP) with pre-OTP warning
- Digital POR indicator
- Individual channel fault masking
- Ultra-low quiescent current
- 1μA maximum for shutdown mode when EN Low >25ms
- 15μA maximum for power-saving mode when EN High and all LEDs Off for >30ms
- 6mm x 6mm W-QFN6060-52/SWP (Type A1) package
- Lead-free and RoHS-compliant
- Halogen and Antimony-free (Green Device)
Applications
- Smart home appliances
- Smart speakers
- Video doorbells
- Electric smart locks
- Smoke detectors
- Smart routers
- Set-top boxes
- RGB LED lighting
- Architectural lighting
- Industrial LED lighting
- Wearable and handled devices
Typical Application Diagram
Videos
發佈日期: 2023-01-26
| 更新日期: 2023-12-06
