Diodes Incorporated AP7366EA 600mA Low Dropout (LDO) Regulators

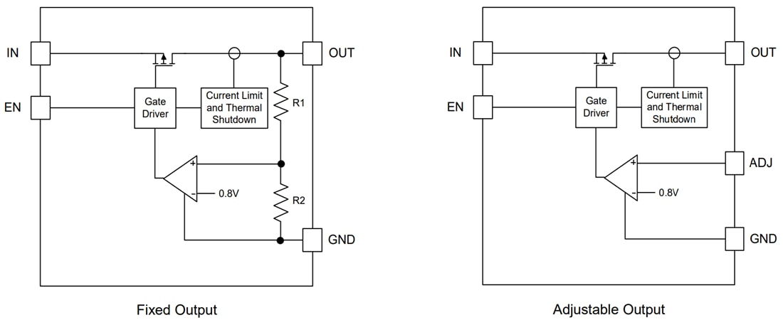
Diodes Inc. AP7366EA 600mA Low Dropout (LDO) Regulators are adjustable and fixed output voltage low dropout linear regulators. These devices include a pass element, band gap, error amplifier, current limit, and thermal shutdown circuitry. The device is turned on when the EN pin is set to logic high level.

The characteristics of low dropout voltage and low quiescent current make it ideal for low-power applications such as battery-powered devices. The typical quiescent current is approximately 60μA. Built-in thermal shutdown and current-limit functions prevent the IC from damage in fault conditions.

The Diodes Inc. AP7366EA is available with adjustable output from 0.8V to 5.0V, and fixed version with 1.0V, 1.2V, 1.5V, 1.8V, 2.0V, 2.5V, 2.8V, 3.0V, 3.3V, 3.6V and 3.9V outputs. The AP7366EA is available in SOT25 and U-DFN2020-6 packages.

Features

  • 600mA low dropout regulator with EN
  • 60µA low IQ
  • 2.2V to 6V wide input voltage range
  • 8V to 5.0V wide adjustable output
  • Fixed output options are 0V, 1.2V, 1.5V, 1.8V, 2.0V, 2.5V, 2.8V, 3.0V, 3.3V, 3.6V, 3.9V
  • High PSRR (75dB at 1kHz)
  • 150µs fast start-up time
  • Stable with Low ESR, 1µF ceramic output capacitor
  • Excellent load/line transient response
  • 300mV at 600mA low dropout
  • Current limit and short circuit protection
  • Thermal shutdown protection
  • -40°C to +85°C ambient temperature range
  • Lead-free and fully RoHS compliant
  • Halogen and antimony-free “Green” device

Applications

  • Servers and notebook computers
  • Low and medium power applications
  • FPGA and DSP cores or I/O powers
  • Consumer electronics

Functional Block Diagram

Block Diagram - Diodes Incorporated AP7366EA 600mA Low Dropout (LDO) Regulators
發佈日期: 2022-10-19 | 更新日期: 2022-12-06