Diodes Incorporated AP7372 Low-Noise ULDO Regulators
Diodes Incorporated AP7372 Low-Noise ULDO Regulators are designed to deliver exceptional performance in noise-sensitive applications. Operating from 2.7V to 20V and providing up to 200mA output current, these regulators feature high power supply rejection (PSRR) of 90dB at 10kHz, ensuring stable operation in high-performance analog and mixed-signal circuits. With an output noise of just 8μVRMS, independent of the fixed output voltage options (1.8V, 2.5V, 3.3V, and 5.0V), the AP7372 achieves excellent line and load transient response. Additionally, the device offers a programmable soft-start feature, low dropout voltage of 120mV at 200mA, and is stable with a 2.2μF ceramic output capacitor. These characteristics make the AP7372 ideal for applications such as ADC and DAC circuits, precision amplifiers, and power for VCO VTUNE controls.Features
- Low 8μVRMS noise independent of fixed output voltage
- High PSRR
- 90dB at 10kHz
- 70dB at 100kHz
- 52dB at 1MHz
- 2.7V to 20V input voltage range
- 200mA maximum output current
- High ±0.8% output voltage accuracy
- ±1.8% accuracy over line, load, and temperature, -40°C to +125°C range
- Low 120mV dropout voltage at IOUT = 200mA typical
- User-programmable soft-start
- Low 66μA typical quiescent current
- Low shutdown current
- 3.1μA at VIN = 5V
- 3.3μA at VIN = 20V
- Stable with a 2.2μF ceramic output capacitor
- Adjustable output from 1.2V to VIN – VDO, output can be adjusted above the initial set point
- Terminals
- NiPdAu finish over copper leads
- Solderable per MIL-STD-202, Method 208
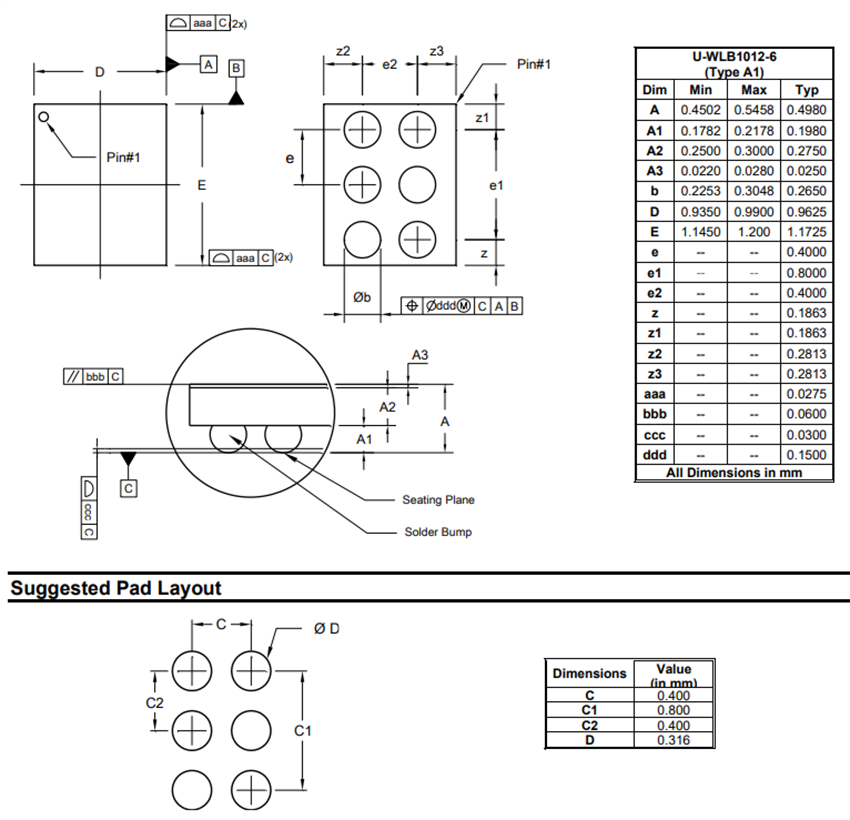
- U-WLB1012-6 (Type A1) package
- Moisture Sensitivity Level (MSL) 1 per J-STD-020
- Totally lead-free and fully RoHS compliant
- Halogen- and antimony-free, Green device
Applications
- Regulation of noise-sensitive applications
- ADC and DAC circuits
- Precision amplifiers
- Power for VCO VTUNE controls
- Communications and infrastructures
- Medical and healthcare
- Industrials and instrumentations
Additional Resources
Typical Application
Block Diagram
Dimensions
發佈日期: 2025-04-21
| 更新日期: 2025-07-31
