Diodes Incorporated DGD0227 Low Side Gate Drivers
Diodes Incorporated DGD0227 Low Side Gate Drivers are dual, high-speed, low-side MOSFET, and IGBT drivers. These devices can drive 4A of peak current and offer a 4.5V to 18V operating supply voltage range. Diodes Incorporated gate driver logic inputs are compatible with standard TTL and CMOS levels (down to 3.3V) and can interface easily with MCUs. The fast and well-matched propagation delays allow high-speed operation, enabling a smaller, more compact power-switching design using smaller associated components. This DGD0227 gate driver is offered in the SO-8 (type TH) package and operates at a -40°C to +125°C temperature range.Features
- 4.5V to 18V operating supply voltage range
- 4.0A source/4.0A sink output current capability
- 35ns (typical) fast propagation delay
- 20ns (typical) fast rise and fall times
- 3.3V logic input (IN) capability
- -40°C to +125°C temperature range
- Lead-free and RoHS compliant
- Halogen- and antimony-free
Specifications
- SO-8 (type TH) package
- Molded plastic, green molding compound case material
- UL flammability classification rating 94V-0
- Level 3 per J-STD-020 moisture sensitivity
- Weighs 0.075g (approximate)
- Terminals
- Matte tin plated lead
- Solderable per MIL-STD-202
- Method 208
Applications
- DC-DC converters
- Line drivers
- Motor controls
- Switch mode power supplies
Typical Configuration
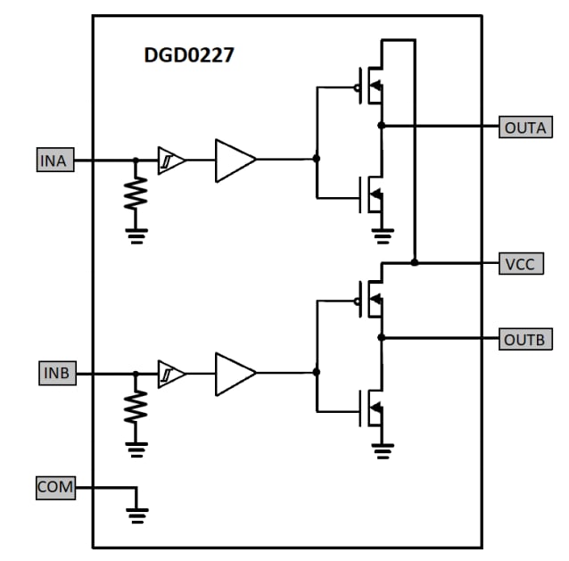
Block Diagram
Additional Resource
發佈日期: 2019-01-15
| 更新日期: 2023-07-12
