Diodes Incorporated PI6CB33x Gen 4/5 Compliant Clock Buffers
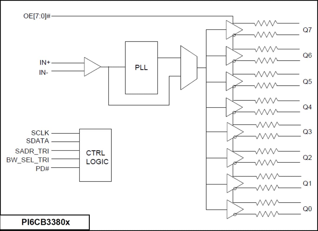
Diodes Incorporated PI6CB33x Gen 4/5 Compliant Clock Buffers offer an ideal clock solution for data centers, servers, storage, and network applications using the PCIe interface. The PI6CB33x Clock Buffer series includes 2-output, 4-output, 6-output, 8-output, and 20-output devices. The PI6CB33x Clock Buffers support High-Speed Current Steering Logic (HCSL) outputs with on-chip terminations for driving either 85 or 100 transmission lines. The on-chip termination eliminates the need for external resistors, simplifies PCB layout, and reduces the cost of materials (BOM). The PI6CB33x Clock Buffers also provide Output Enable (OE) pins for each output, providing easier power management.The PI6CB33x Buffers use a proprietary PLL design to achieve a very low jitter that meets PCIe Gen1/Gen2/Gen3/Gen4/Gen5 requirements. These devices also support Ethernet applications with 50MHz, 125MHz, and 133.33MHz via SMBus. Offering a programmable slew rate and output amplitude for each output, the PI6CB33x Clock Buffers provide flexibility for ease of board design and optimal performance.
The PI6CB33x Clock Buffers are offered in compact, Pb-free, and RoHS-compliant Thin Quad Flat No-Lead (TQFN) packages.
Features
- 3.3V supply voltage
- 100MHz HCSL input
- 2, 4, 6, 8, or 20 differential low-power HCSL outputs with on-chip termination
- Supports 50MHz, 125MHz, or 133.33MHz via SMBus
- 85Ω or 100Ω output impedance
- Spread spectrum tolerant
- Individual output-enable (OE)
- Programmable slew rate and output amplitude for each output
- Differential outputs are blocked until the PLL is locked
- Strapping pins or SMBus for configuration
- Differential output-to-output skew <50ps
- -40°C to +85°C operating temperature range
- Very low jitter outputs
- Differential cycle-to-cycle jitter <50ps
- PCIe Gen1/Gen2/Gen3/Gen4/Gen5 CC compliant
- PCIe Gen 2 and 3 SRiS and SRnS compliant
- Package options
- TQFN-24 (4mm x 4mm)
- TQFN-32 (5mm x 5mm)
- TQFN-40 (5mm x 5mm)
- TQFN-48 (6mm x 6mm)
- TQFN-72 (10mm x 10mm)
- Lead-free and fully RoHS compliant
- Halogen and antimony-free; "Green" device
Applications
- Data centers and servers
- Storage
- Networking systems
- Switches and routers
Datasheets
- 2-Output
- 6-Output
- 20-Output
- 4-Output
- 8-Output
Low-Power HCSL Test Circuit
Differential Output Driving LVDS
發佈日期: 2020-02-10
| 更新日期: 2024-07-25
