Diodes Incorporated PI6CB332202/PI6CB332204 2-Input Clock Mux
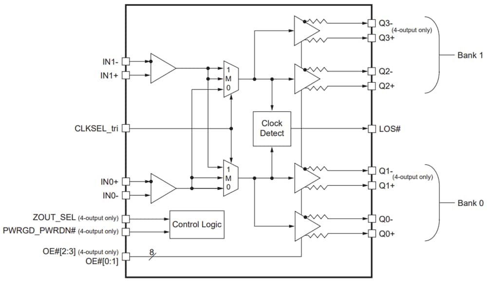
Diodes Inc. PI6CB332202/PI6CB332204 2-Input Clock Mux is a low-power device for PCIe 5.0/6.0 applications. It requires two reference inputs to fanout two/four low-power differential HCSL outputs up to 400MHz, with on-chip terminations for 85Ω or 100Ω output impedance. An individual OE pin is provided for each output, facilitating easier power management. The Diodes Inc. PI6CB332202/PI6CB332204 also supports Power Down Tolerant (PDT), automatic output clock locking upon loss of input clock, and flexible startup sequencing features.
Features
- 2-input mux with 2x/4x low-power HCSL outputs supporting on-chip termination
- 85Ω or 100Ω pin selectable output impedance
- Spread-spectrum tolerant
- Individual output enable
- Power down tolerant inputs
- Flexible power supply startup sequencing
- Automatic output clock locking upon loss of input clock
- Additive phase jitter
- PCIe 5.0 - 6fs RMS typical
- PCIe 6.0 -4fs RMS typical
- DB2000QL -10fs RMS typical
- 3.3V supply voltage
- Packages
- 28-pin, 4mm x 4mm, VQFN (ZLF) (4x outputs) (PI6CB332204)
- 20-pin, 3mm x 3mm, WQFN (ZNA) (2x outputs) (PI6CB332202)
- Lead-free and RoHS-compliant
- Halogen and antimony-free Green device
- For automotive applications requiring specific change control (i.e., parts qualified to AEC-Q100/101/104/200, PPAP capable, and manufactured in IATF 16949 certified facilities)
Applications
- Data centers and servers
- Storage systems
- Networking equipment
- Automotive electronics
Resources
Block Diagram
發佈日期: 2025-10-07
| 更新日期: 2025-11-13
