e-peas AEM10920 Ultra-Efficient Energy PMIC

e-peas AEM10920 Ultra-Efficient Energy Power Management Integrated Circuit (PMIC) extracts DC power from harvesting source stores in a rechargeable battery and supplies the application circuit. This device features a buck regulator with an efficiency above 90%, selectable output voltage (2.2V, 2.5V, or 2.8V), and output current up to 135mA. The AEM10920 energy manager provides an external 5V charging capability that helps extend the battery lifetime and eliminates the primary energy storage in many applications. This device supports maximum power point tracking and an ultra-low power boost converter to harvest the maximum available power from a source to charge a storage element. The AEM10920 energy manager is available in a QFN 24-pin package and is ideal for remote controls and wireless keyboards.

The AEM10920 energy manager includes a unique cold-start circuit with 275mV (minimum 5µW power) and selectable over-discharge and overcharge protection. The device provides a shipping mode to avoid charging and discharging the storage element during shipping or storage.

Features

  • Startup at ultra-low power from harvesting source input (Cold start from 275mV/5µW input)
  • Maximum power point tracking:
    • Matches various single/dual elements PV cells
    • Configurable MPPT ratios ranging from 35% to 90%
    • Configurable MPPT sensing timing and period
    • MPPT voltage operation ranges from 110mV up to the storage element voltage
  • Regulated output for application circuit:
    • Buck regulator with efficiency above 90%
    • Selectable output voltage (2.2V, 2.5V, or 2.8V)
    • Output current up to 135mA
  • All settings are dynamically configurable through the GPIO
  • Selectable over-discharge and overcharge protection- Supports various types of rechargeable batteries (LiC, Li-ion, and LiPo)
  • External 5V charging capability:
    • Extra charging input for 5V power supplies
    • CC/CV charging with a configurable current limit in CC mode (maximum 135mA)
    • Provides a fast charging alternative when no source is available for a long time

Applications

  • Remote controls
  • Wireless keyboards

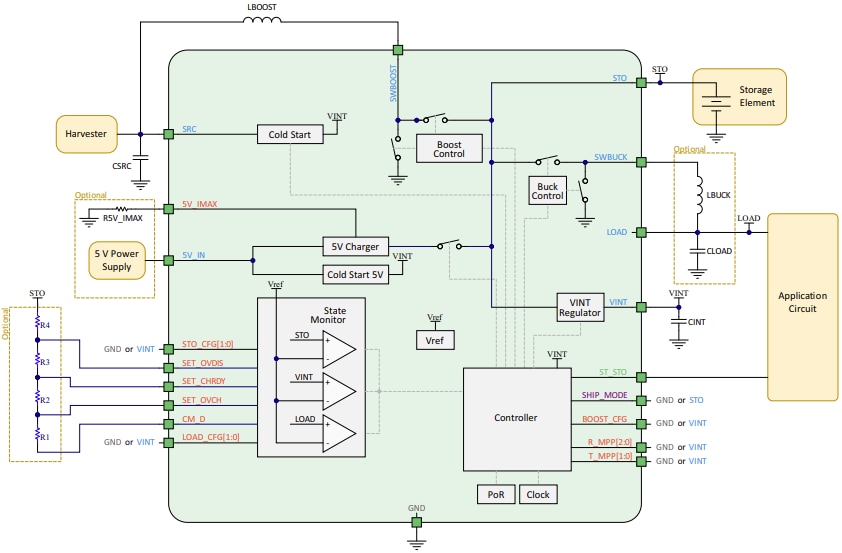
Functional Block Diagram

Block Diagram - e-peas AEM10920 Ultra-Efficient Energy PMIC

Application Circuit Diagram

Application Circuit Diagram - e-peas AEM10920 Ultra-Efficient Energy PMIC

Dimension Diagram

Mechanical Drawing - e-peas AEM10920 Ultra-Efficient Energy PMIC
發佈日期: 2025-01-30 | 更新日期: 2025-11-26