ECS ECS-250-CDX-2523 Quartz Crystal
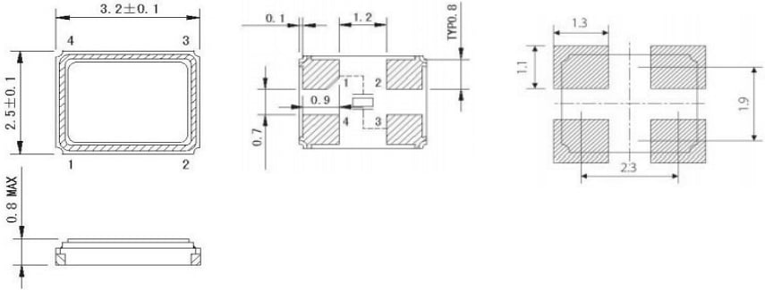
ECS ECS-250-CDX-2523 Quartz Crystal is offered in an ECS-33B surface-mount package type with 3.2mm x 2.5mm dimensions. This highly reliable crystal provides long-term stability and reliability in a 25MHZ frequency range. The module offers an AT strip crystal cut, a fundamental mode of operation, 20pF load capacitance, and ±20ppm maximum frequency tolerance and stability. ECS ECS-250-CDX-2523 Quartz Crystal operates in a -20°C to +100°C temperature range. This lead-free and RoHS-compliant crystal is ideal for applications such as microprocessors, the Internet of Things (IoT), smartwatches, smart home security systems, Wi-Fi®, and connectivity.Features
- High reliability
- Long-term stability
- Fundamental mode of operation
- AT strip crystal cut
- Surface mount
- Lead free and RoHS compliant
Applications
- Microprocessors
- IoT
- GPS
- Smart home security systems
- Automotive computers and components
- Wearable technologies, including smartwatches
- Wi-Fi and connectivity
Specifications
- ECS-33B (3.2mm x 2.5mm) package type
- 25MHZ frequency
- ±20ppm maximum frequency tolerance (at +25°C)
- ±20ppm maximum frequency stability (-20°C to +100°C)
- 20pF load capacitance (CL)
- 200μW maximum recommended drive level
- 30Ω maximum effective series resistance (ESR)
- 3pF maximum shunt capacitance
- -20°C to +100°C operating temperature range
- -40°C to +125°C storage temperature range
- ±2ppm maximum aging (first year)
Package Dimensions (mm)
發佈日期: 2024-12-26
| 更新日期: 2025-01-08
