特點
- 1-Form-B(常閉)繼電器
- 內部控制電路:
- 自動啟動
- 故障保護定時器
- 在25°C時,最大導通電阻為600mW
- 60V峰值AC或DC負載電壓
- 負載電流:
- 1.84ARMS連續
- 5A峰值
- 170μs最大的快速開啟時間
- 小型6mm x 6mm的熱強化QFN封裝
應用
- 視訊門鈴
- 門鈴旁路
- 建築自動化
- 物聯網 (IoT)
- 安全
- 電壓控制繼電器
典型視訊門鈴應用電路
功能方塊圖
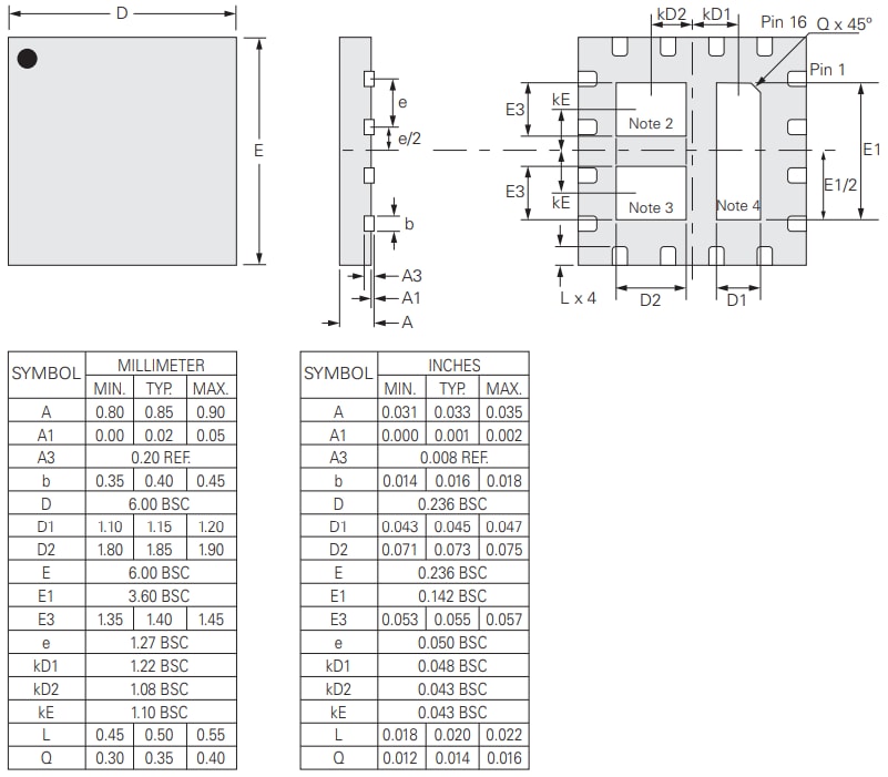
機械尺寸
發佈日期: 2025-05-02
| 更新日期: 2025-05-22

