Analog Devices Inc. EV-ADF4382A評估板

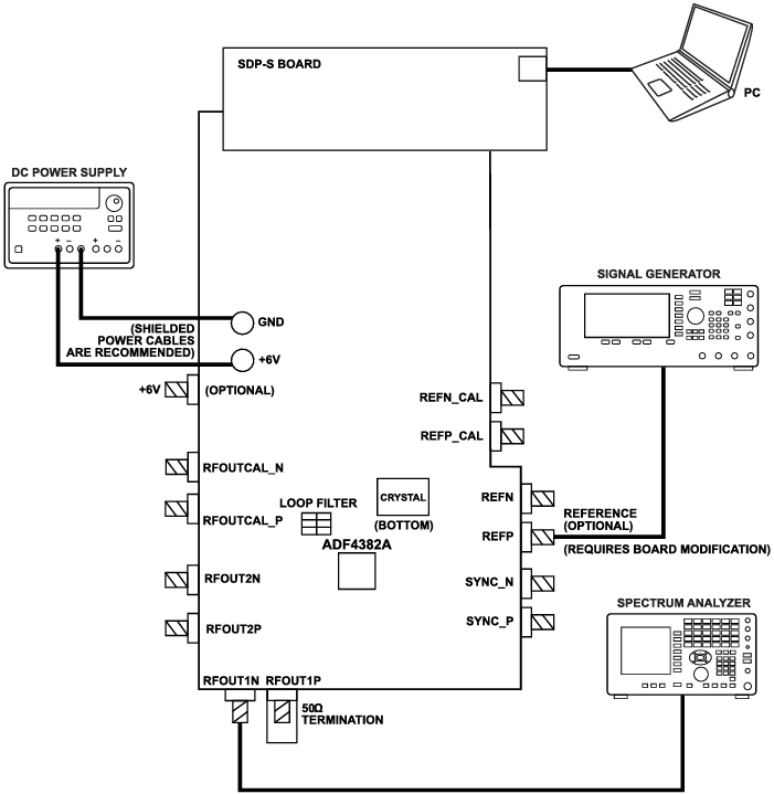
Analog Devices EV-ADF4382A評估板旨在評估配備整合式電壓控制振盪器 (VCO) 的ADF4382A頻率合成器,用於相位鎖定迴路 (PLL)。此評估板配備USB介面、電源連接器、板載參考振盪器、傳播延遲校準路徑和次微型A版 (SMA) 連接器。EV-ADF4382A評估板輸出為AC耦合50Ω傳輸線,適合驅動50Ω阻抗儀器。此評估板非常適合用於測試與量測、高效能資料轉換器時脈和無線基礎架構(MC-GSM、5G和6G)。

特點

  • 自足式評估板,包括配備整合式VCO、迴圈濾波器、USB介面、板載參考振盪器、傳播延遲校準路徑和電壓調節器的ADF4382A頻率合成器
  • 基於Windows®的軟體可讓您從PC控制合成器功能
  • 外部6V供電

應用

  • 高效能資料轉換器時脈
  • 無線基礎架構(MC-GSM、5G和6G)
  • 測試與量測

所需器材

  • 用於評估軟體的配備USB™連接埠的Windows系統PC
  • 系統示範平台、僅支援序列通訊的EVAL-SDP-CS1Z控制器板 (SDP-S)
  • 6V電源
  • 頻譜分析儀或相位雜訊分析儀
  • 50Ω終端器
  • 低雜訊輸入參考 (REFIN) 來源(選配)

評估板安裝圖

Analog Devices Inc. EV-ADF4382A評估板
發佈日期: 2024-02-05 | 更新日期: 2024-07-05