ROHM Semiconductor RB-D62Q2702TB48 Reference Board
ROHM Semiconductor RB-D62Q2702TB48 Reference Board is a development platform powered by the LAPIS ML62Q2702 CMOS 16-bit RISC microcontroller. Designed for a wide range of embedded system applications, this board is ideal for automotive solutions such as main inverters, onboard chargers, and battery management systems. The board's low-power operation, efficient processing capabilities, and integrated peripherals make it suitable for industrial automation and intelligent consumer electronics. Fully compatible with ROHM’s advanced development tools, the RB-D62Q2702TB48 streamlines prototyping, testing, and optimization, enabling engineers to create innovative, reliable, and energy-efficient designs tailored to modern technological demands.Features
- Provided with the LAPIS ML62Q2702 CMOS 16-bit RISC MCU, 48-pin TQFP
- Mounted with the linked connector to EASE1000 V2
- Through-holes for connecting the pins of LSI to external peripheral boards
- Selectable power supply, supplied from the on-chip emulator EASE1000 V2 or CN1_3pin/CN2_2pin
- Mounted 32.768KHz crystal
- Mounted LEDs (P20, P21, P22)
- Foot pattern with components for Successive Approximation Type A/D Converter is available (P30, P31, P32, P33)
- Low power consumption
- Internal flash memory and RAM
- Flexible I/O and communication interfaces
- Real-time processing
- 1.8V to 5.5V operating supply range
- Compact form factor, 56mm x 94mm x 15mm (WxDxH) size
Applications
- Automotive systems
- Industrial equipment
- Consumer electronics
Overview
Power Circuit
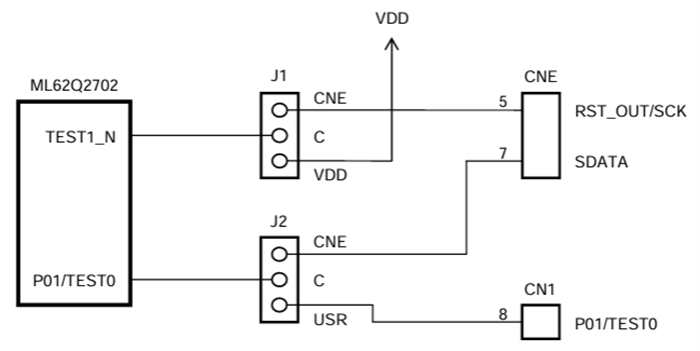
EASE1000 V2 Interface
PCB Layout
發佈日期: 2024-12-30
| 更新日期: 2025-01-07
