Qorvo ACT85611EVK1-101 Evaluation Kit
Qorvo ACT85611EVK1-101 Evaluation Kit demonstrates the ACT85611QX101 active PMU power management IC. This kit provides full access to each converter’s input and output voltage and digital control signals. This gives the user the flexibility to configure the EVK to match the real system. The ACT85611EVK1-101 kit is designed for a 12V input voltage, and the maximum operating voltage is determined by the IC’s maximum input voltage rating.Kit Contents
- EVK assembly
- USB-TO-I2C dongle:
- Dongle
- Custom 4-pin connector that connects the USB-TO-I2C dongle to the EVK assembly
Required Equipment
- ACT85611EVK1-101
- USB-TO-I2C dongle
- Power supply 12V @ 6A for full power operation
- >100MHz and >4 channels oscilloscope
- Electronic or resistive, and a 6A minimum current capability load
- Digital Multi-Meters (DMM)
- Windows-compatible computer with a spare USB port
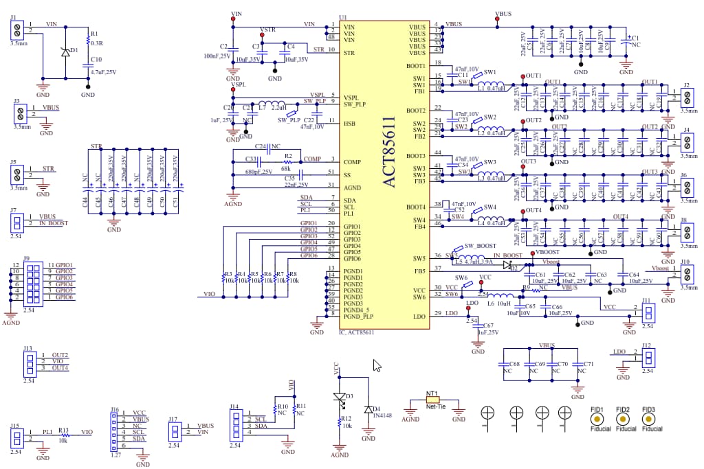
Schematic
EVK Setup
Additional Resource
發佈日期: 2025-05-12
| 更新日期: 2025-06-06
