Infineon Technologies CY14B nvSRAM

Infineon Technologies CY14B nvSRAM family brings together Fast SRAM and SONOS non-volatile into one ultra reliable line of products. Infineon Technologies nvSRAM devices are the journal memory of choice in over half of the RAID systems worldwide. 

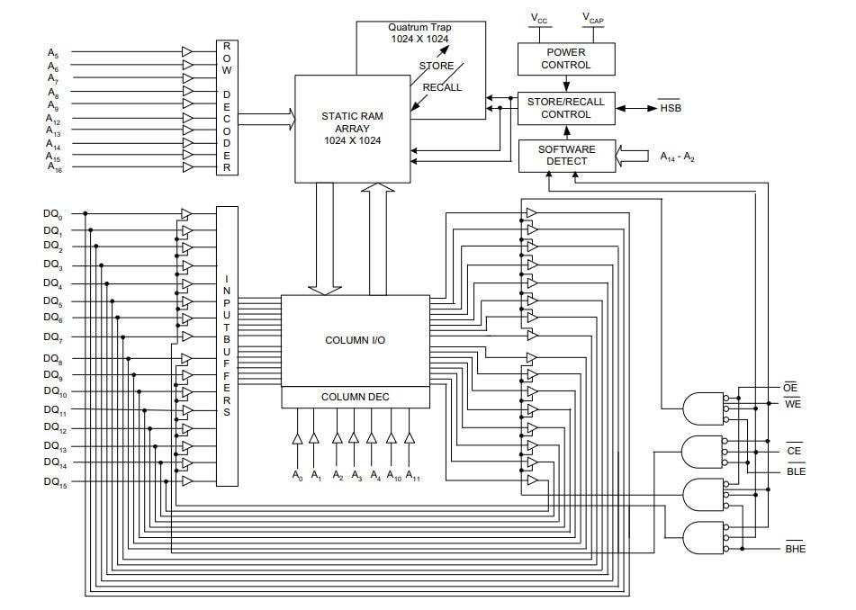
The Infineon Technologies CY14B nvSRAM behaves like any asynchronous SRAM. Inside the device is a small MCU and the analog circuitry that monitors system power and makes the decisions on shutting down and storing SRAM contents in non-volatile memory. The nvSRAM comes back up with restored power, manages the movement of data back to SRAM, and alerts the MCU when a normal operation can continue. No management of the IC is required.

Logic Block Diagram

Block Diagram - Infineon Technologies CY14B nvSRAM
View Results ( 36 ) Page
零件編號 規格書 組織 存取時間 存儲容量 封裝/外殼
CY14B256LA-SP45XIT CY14B256LA-SP45XIT 規格書 SSOP-48
CY14B104NA-ZS45XI CY14B104NA-ZS45XI 規格書 256 k x 16 45 ns 4 Mbit TSOP-II-44
CY14B101LA-ZS25XI CY14B101LA-ZS25XI 規格書 128 k x 8 25 ns 1 Mbit TSOP-II-44
CY14B101LA-BA45XI CY14B101LA-BA45XI 規格書 FBGA-48
CY14B101LA-SP25XI CY14B101LA-SP25XI 規格書 128 k x 8 25 ns 1 Mbit SSOP-48
CY14B101LA-SP45XI CY14B101LA-SP45XI 規格書 128 k x 8 45 ns 1 Mbit SSOP-48
CY14B104NA-ZSP45XI CY14B104NA-ZSP45XI 規格書 TSOP-II-54
CY14B101LA-BA25XI CY14B101LA-BA25XI 規格書 FBGA-48
CY14B101LA-SP25XIT CY14B101LA-SP25XIT 規格書 128 k x 8 25 ns 1 Mbit SSOP-48
CY14B104NA-BA45XI CY14B104NA-BA45XI 規格書 FBGA-48
發佈日期: 2009-12-16 | 更新日期: 2022-08-15