Infineon Technologies 650V CoolSiC™ M1 Trench Power MOSFETs
Infineon Technologies 650V CoolSiC™ M1 Trench Power MOSFETs combine the strong physical characteristics of Silicon Carbide with unique features that increase the device's performance, robustness, and ease of use. The CoolSiC M1 MOSFETs are built on a state-of-the-art trench semiconductor process optimized to deliver the lowest application losses and the highest reliability in operation. Suitable for high temperatures and harsh operations, these devices enable the simplified and cost-effective deployment of the highest system efficiency.The CoolSiC M1 MOSFETs are offered in a compact TO-247 3-pin/4-pin package and are Pb-free, halogen-free, and RoHS-compliant.
Features
- Low capacitances
- Optimized switching behavior at higher currents
- Commutation robust, fast body diode with low reverse recovery charge (Qrr)
- Superior gate oxide reliability
- Excellent thermal behavior
- Increased avalanche capability
- Works with standard drivers
- High performance, high reliability, and ease of use
- Allows high system efficiency
- Reduces system cost and complexity
- Enables smaller system size
- Works in topologies with continuous hard commutation
- Fit for high temperature and harsh operations
- Enables bi-directional topologies
Applications
- Servers
- Telecom
- SMPS
- Energy storage and battery formation
- Solar energy systems / solar PV inverters
- UPS
- EV charging infrastructure
- Motor drives
- Class D amplifiers
Videos
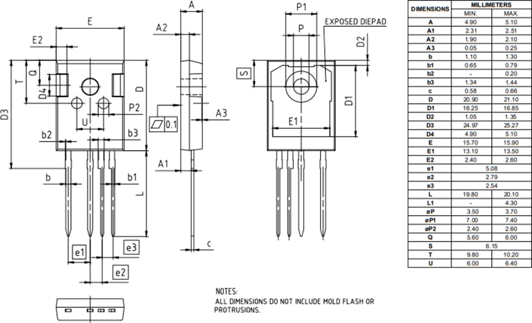
Package Outline (TO-247 3-pin)
Package Outline (TO-247 4-pin)
View Results ( 26 ) Page
| 零件編號 | 規格書 | 封裝/外殼 | Id - C連續漏極電流 | Rds On - 漏-源電阻 | Qg - 閘極充電 | Pd - 功率消耗 |
|---|---|---|---|---|---|---|
| IMBG65R057M1HXTMA1 | ![]() |
39 A | 74 mOhms | 28 nC | 161 W | |
| IMZA65R039M1HXKSA1 | ![]() |
TO-247-4 | 50 A | 50 mOhms | 41 nC | 176 W |
| IMBG65R163M1HXTMA1 | ![]() |
17 A | 217 mOhms | 27 nC | 85 W | |
| IMBG65R107M1HXTMA1 | ![]() |
24 A | 141 mOhms | 35 nC | 110 W | |
| IMZA65R107M1HXKSA1 | ![]() |
TO-247-4 | 20 A | 142 mOhms | 15 nC | 75 W |
| IMBG65R048M1HXTMA1 | ![]() |
45 A | 64 mOhms | 33 nC | 183 W | |
| IMBG65R039M1HXTMA1 | ![]() |
54 A | 51 mOhms | 41 nC | 211 W | |
| IMBG65R072M1HXTMA1 | ![]() |
33 A | 94 mOhms | 22 nC | 140 W | |
| IMBG65R260M1HXTMA1 | ![]() |
6 A | 346 mOhms | 22 nC | 65 W | |
| IMBG65R022M1HXTMA1 | ![]() |
64 A | 30 mOhms | 67 nC | 300 W |
發佈日期: 2020-01-22
| 更新日期: 2024-09-23

