Infineon Technologies TLD5099EP_VB2G Voltage-Mode Evaluation Board
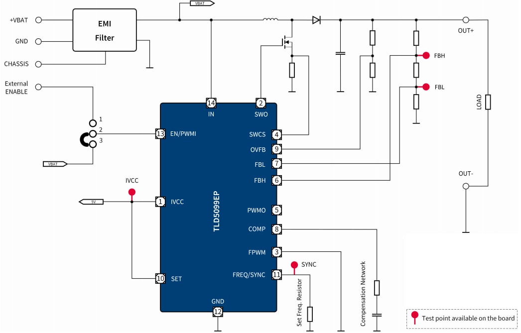
Infineon Technologies TLD5099EP_VB2G Voltage-Mode Evaluation Board is designed to evaluate the TLD5099EP controller in the voltage-mode boost-to-ground topology for medium power applications. This evaluation board delivers up to 17W to the load with above 93% efficiency. The SWCS pin connected to the current-mode shunt limits the short-to-ground current to a few amperes. This evaluation board can be implemented as a DC-DC power supply with a constant voltage output. Typical applications include automotive and lighting.Features
- Evaluate the TLD5099EP configured in the voltage-mode boost to ground topology
- DC-DC power supply with constant voltage output
- Delivers up to 17W to the load with above 93% efficiency
- Short-to-ground current is limited to a few amperes by the SWCS pin connected to the current-mode shunt
- 8V to 27V supply voltage range
- 48V output voltage
Simplified Schematic
Performance Graph
發佈日期: 2020-08-10
| 更新日期: 2024-11-14
