Infineon Technologies TLE4973 XENSIV™ Coreless Current Sensors
Infineon Technologies TLE4973 XENSIV™ Coreless Current Sensors are high-precision, miniature, magnetic current sensors for AC and DC measurements with an analog interface and fast overcurrent detection output. A differential measurement principle allows stray field suppression for operation in harsh environments, and high configurability enables customization for various applications. User-programmable parameters (such as OCD thresholds and sensitivity settings) are stored in an embedded EEPROM. Device configuration can be performed in situ through a one-wire UART-based Digital Control Diagnostic Interface (DCDI). The DCDI interface provides read/write access to the device's internal registers and allows the device to trigger the diagnostic mode and to read temperature, OCD, and safety status. The sensors feature an auto-addressing functionality and can handle up to eight slaves on one bus.Features
- High accurate, scalable, DC and AC current sensing
- Full scale up to ±34mT for current measurements above 1000A
- 5V supply voltage
- Analog output
- Configurable differential for TLE4973-xE35x5-S0001 (including a ratiometric option)
- Ratiometric single-ended for TLE4973-RE35x5-S0010
- ISO 26262 safety element out of context for safety requirements up to ASIL B
- Small form factor enables high power density
- Very low sensitivity error over temperature and lifetime
- Excellent stability of offset over temperature and lifetime
- Differential sensor principle ensures superior magnetic stray field suppression
- High bandwidth provides fast response time and low phase delay
- Overcurrent detection with a configurable threshold (maximum detection time of <1.0µs)
- EEPROM with integrated charge-pump for in-system programming and end-of-line calibration without additional circuitry
- Different package solutions for optimal system integration in different wiring schemes
- Digital control and diagnostic interface; provides temperature readout, safety status readout, read/write programming access to internal EEPROM, and control of diagnosis mode
- Pre-calibrated over temperature with the possibility of in-system end-of-line calibration to compensate for system-level errors
- AEC-Q100, Grade 0 qualified
- RoHS compliant
Applications
- Main and auxiliary electrical drives
- Over-load and over-current detection
- Battery main switch
- Smart circuit breakers
- PV inverters
- Current monitoring and power supplies
Datasheets
Block Diagram
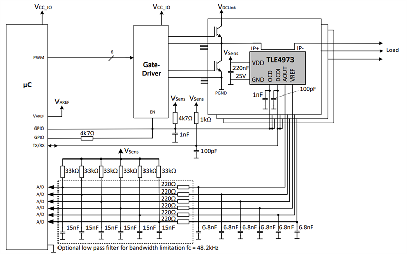
Typical Application Schematic
發佈日期: 2023-11-28
| 更新日期: 2025-02-09
