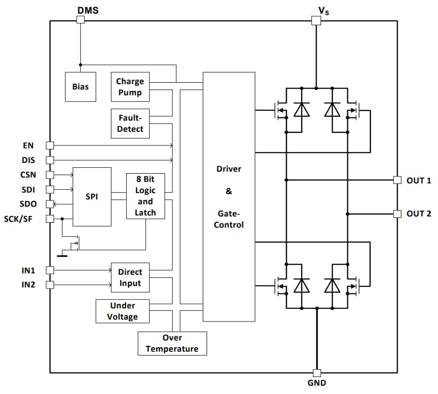
Infineon Technologies TLE7209-3R 7A H-Bridge for DC-Motor Applications
Infineon Technologies TLE7209-3R 7A H-Bridge for DC-Motor Applications is designed to control DC and stepper motors in safety-critical applications and in extreme environmental conditions. The TLE7209-3R H-Bridge is protected against over-temperature and short circuits. The H-Bridge has an under-voltage lockout for all the supply voltages “VS” (main DC power supply). All malfunctions cause the output stages to go tristate. The device is configurable by the DMS pin. When grounded, the device gives diagnostic information via a simple error flag. When supplied with VCC = 5 V, the device works in SPI mode. In this mode, detailed failure diagnosis is available via the serial interface.Features
- Operating supply voltage 5V to 28V
- Typical RDSon = 150mΩ for each output transistor (at 25°C)
- Continuous DC load current 5A (TC < 100°C)
- Output current limitation at typ. 6.6A ± 1.1A
- Short circuit shut-down for output currents over 8A
- Logic- inputs TTL/CMOS-compatible
- Output switching frequency up to 30kHz
- Rise and fall times optimized for 0.5-2kHz
- Over-temperature protection
- Short circuit protection
- Undervoltage disable function
- Diagnostic by SPI or Status-Flag (configurable)
- Enable and Disable inputs
- PG-DSO-20-65 power package
- Green Product (RoHS compliant)
Block Diagram
發佈日期: 2018-06-19
| 更新日期: 2024-12-10
