特點
- 採用DSO-14 (150 mil) 封裝的整合式半橋驅動器
- 具備600V高壓啟動電芯,能快速充電,並達到低待機耗電量
- 具備峰值電流模式控制,能穩定快速地控制線路和負載
- 叢發模式進入/退出操作,以預估的輸出電流為依據
- 初級側輸出過電壓保護
- 支援最低可低於75 mW的零負載待機耗電量
- 寬廣的參數範圍,透過單腳位UART介面即可設定
- 最低成本的必要材料清單
- 可設定的啟動和壓降保護
- 可設定的內建軟啟動
- 可設定的輸出過電壓保護
- 可設定的叢發模式進入和退出電流閾值,包括低遲滯
- 可設定的過電流保護,含兩級的峰值和瞬態負載
- 可設定的頻率降低與週期跳步功能,更為提升低負載效率
- 可設定的切換頻率抖動
- 可設定的傳播延遲補償,能準確控制峰值電流
- 無鉛引線電鍍
- 符合RoHS且不含鹵素,符合IEC61249-2-21標準
應用
- AC/DC SMPS
- 20W/inch3以上超高功率密度變壓器
- 93%以上超高效率SMPS
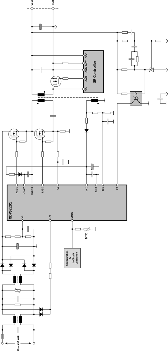
典型應用電路
方塊圖
發佈日期: 2021-03-25
| 更新日期: 2022-03-11

