Infineon iMOTION IPM Family

英飛凌iMOTION™ IPM系列

英飛凌iMOTION™智慧電源模組(IPM)提供完整的功率級解決方案,適用於節能家電和以400W至2500W可變速馬達驅動的輕工業設備。iMOTION設計平台將數位、類比及電源技術整合至極富彈性的混合訊號晶片組,適用於簡易馬達控制設計及具成本效益的解決方案。


產品特色
  • 整合式升壓PFC功率級與閘極驅動器
  • 整合式閘極驅動器與升壓電路
  • 溫度監測器
  • 保護關機腳位
  • 低VCE (on) 溝槽式IGBT技術
  • 適用於所有通道的欠壓鎖定
  • 適用於所有通道的匹配傳播延遲
  • 3.3V斯密特觸發輸入邏輯
  • 防跨導邏輯
  • 馬達功率範圍最高可達2kW/85~253交流電壓
  • 隔離額定值最低2000VRMS,CTI(相對電痕指數)> 600

應用
  • 洗衣機
  • 空調
  • 壓縮機驅動器
  • 風扇/壓縮機
  • 輕工業驅動器

 


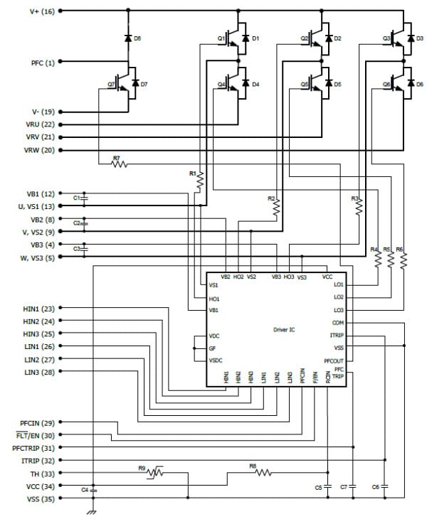
內部電氣示意圖
Internal Electrical Schematic


  • Infineon Technologies
發佈日期: 2013-12-27 | 更新日期: 2023-03-29