Innodisk InnoAgent EZ2N-0XL1 Remote Management Modules
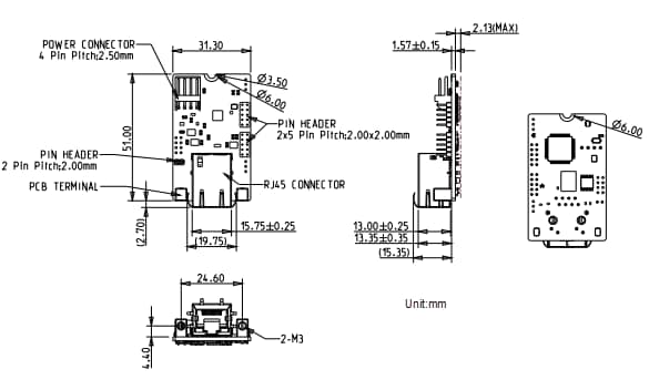
Innodisk InnoAgent EZ2N-0XL1 Out-of-Band Remote Management Modules integrate Nuvoton NUC980 32bit microprocessor. These modules feature remote power on/off/reset, programmable remote control GPIO, and an in-band heartbeat agent to check the device's alive status. The EZ2N-0XL1 modules support remote UART/RS232 data transmission and OT devices with a network connection. These modules operate within the -40°C to 85°C temperature range and come in 51mm x 31.3mm x 19.05mm dimensions. The EZ2N-0XL1 modules are used in smart cities, smart factories, smart retail, and healthcare applications.Features
- Nuvoton NUC980 32bit microprocessor
- Remote power on/off/reset
- Programmable remote control GPIO
- Standard MQTT network connection protocol
- Support remote UART/RS232 data transmission
- Support OT device without a network connection
- Optional I2C function support
- In-band heartbeat agent to check device alive
Applications
- Smart cities
- Smart factories
- Smart retail
- Healthcare
Specifications
- 10/100Mbps LAN (RJ45) network I/F
- 1.125W (5V, 225mA) maximum power consumption
- 5V standby power input (4pin floppy male connector)
- 51mm x 31.3mm x 19.05mm dimensions
- SDK and iCAP 2.0 private cloud (EZ2N-0XL1-W1)
- Private cloud with standard bracket (EZ2N-0XL1-W3)
- Private cloud with low-profile ((EZ2N-0XL1-W4)
InnoAgent Module
Mechanical Diagram
Videos
發佈日期: 2025-04-02
| 更新日期: 2025-04-15
