ISSI Mobile DDR SDRAM
ISSI Mobile DDR SDRAM is organized as 4 banks of 16,777,216 words x 16 bits and uses a double-data-rate architecture to achieve high-speed operation. The Data Input/Output signals are transmitted on a 16-bit bus. The double data rate architecture is essentially a 2N prefetch architecture with an interface designed to transfer two data words per clock cycle at the I/O pins. ISSI Mobile DDR SDRAM offers fully synchronous operations referenced to both rising and falling edges of the clock. The data paths are internally pipelined and 2n-bits prefetched to achieve very high bandwidth. All input and output voltage levels are compatible with LVCMOS.Features
- JEDEC standard 1.8V power supply
- VDD = 1.8V, VDDQ = 1.8V
- Four internal banks for concurrent operation
- MRS cycle with address key programs
- CAS latency 2, 3 (clock)
- Burst length (2, 4, 8)
- Burst type (sequential & interleave)
- Fully differential clock inputs (CK, /CK)
- All inputs except data & DM are sampled at the rising edge of the system clock
- Data I/O transaction on both edges of data strobe
- Bidirectional data strobe per byte of data (DQS)
- DM for write masking only
- Edge aligned data and data strobe output
- Center aligned data & data strobe input
- 64ms refresh period (8K cycle)
- Auto and self refresh
- Concurrent auto precharge
- Maximum clock frequency up to 200MHZ
- Maximum data rate up to 400Mbps/pin
- Power saving support
- PASR (Partial Array Self Refresh)
- Auto TCSR (Temperature Compensated Self Refresh)
- Deep power down mode
- Programmable driver strength control by full strength or 1/2, 1/4, or 1/8, of full strength
- LVCMOS compatible inputs/outputs
- 60-Ball FBGA package
Additional Resources
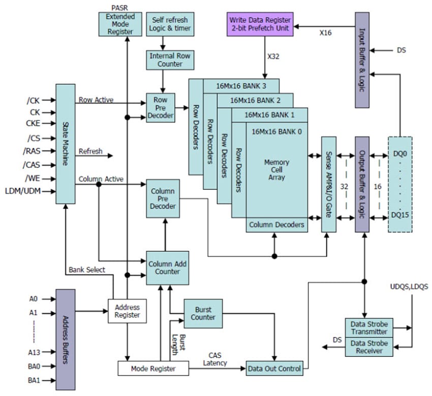
Functional Block Diagram
發佈日期: 2014-02-18
| 更新日期: 2025-09-04
