IXYS IX4341/IX4342 MOSFET閘極驅動器
IXYS IX4341/IX4342 MOSFET閘極驅動器具備兩個獨立驅動器,無論是逆變能力(IX4341)或一個逆變器和一個非逆變器(IX4342)。閘極驅動器可透過 CMOS和 TTL相容輸入提供和吸收 高達5A的峰值電流。IX4341/IX4342系列提供熱強化的8腳位MSOP與窄 SOIC封裝,並依據型號而定的標準窄 SOIC封裝。IXYS IX4341/IX4342 MOSFET閘極驅動器可提供快速的16ns個典型傳播延遲與快速的7ns個典型的上升與下降時間,適用於高頻應用。閘極驅動器非常適合各種應用,包括交換式電源供應器(SMPS)、DC/DC轉換器、馬達控制器及電源轉換器。特點
- 兩個獨立的逆變器驅動器(IX4341)
- 兩個獨立驅動器-一個逆變器和一個非逆變器(IX4342)
- 5A峰值電流採購與降壓能力
- CMOS與TTL相容輸入
- 熱強化的8腳位MSOP與窄SOIC封裝
- 標準8腳位窄SOIC封裝
- 低壓鎖定(UVLO)電路
- 快速傳播延遲
- 快速上升與跌落時間
- 不含鉛、符合RoHS標準
應用
- SMPS
- DC/DC電源供應器
- 馬達控制器
- 電源逆變器
規格
- 4.5VCC 至18VCC 供應電壓範圍
- -0.3V絕對最低輸入電壓額定值
- VCC +0.3最大輸入電壓額定值
- ±5A輸出電流額定值
- 2.5mA最大供應電流額定值
- ±2kV ESD額定值
- 1MHz最大切換頻率
- -55°C至+150°C接點溫度範圍
- -65°C至+150°C儲存溫度範圍
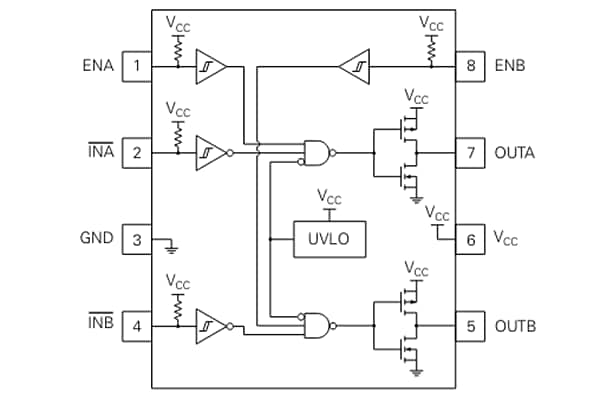
功能方塊圖
發佈日期: 2024-05-28
| 更新日期: 2024-05-31
