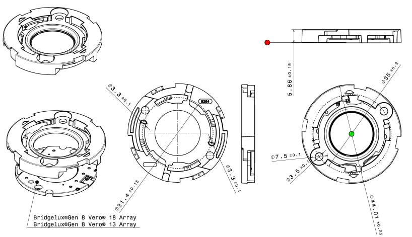
Ledil HEKLA-Socket
LEDiL HEKLA Socket and solderless connectors support many different size COBs and a variety of LEDiL optics with Zhaga mounting holes. This socket is easy to use with a twist and lock mechanism for quick optics assembly and replacement. The long-lasting materials can handle high temperatures without losing grip. The Hekla socket range is compatible with a wide range of lenses and reflectors.Mechanical Drawing
Additional Resource
發佈日期: 2021-11-08
| 更新日期: 2022-03-11
