LightWare LiDAR GRF-250 Laser Rangefinder
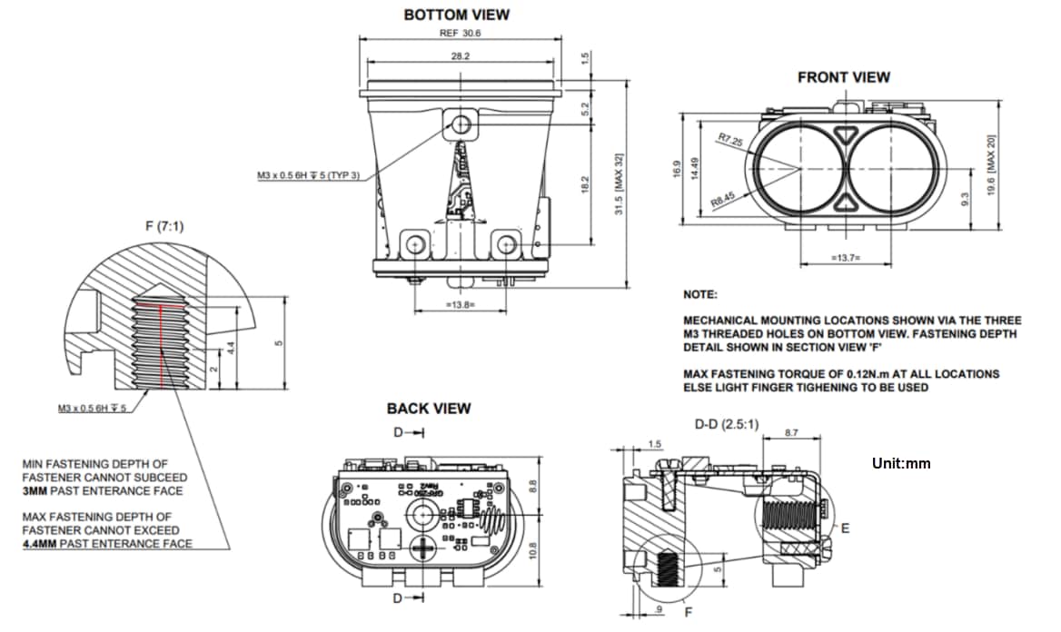
LightWare LiDAR GRF-250 Laser Rangefinder is a light and small sensor built to enhance intelligence, surveillance, security, and search-and-rescue operations in a compact package. This rangefinder uses a 905nm laser and delivers accurate distance measurements up to 250m using time-of-flight laser pulsing. The GRF-250 rangefinder is designed for seamless integration with EO/IR gimbals, adding reliable ranging and depth perception while enabling precise object localization. This rangefinder complies with class 1M eye safety standards and is ideal for low-altitude deployments in diverse environments, from wildlife management to crowd monitoring.The GRF-250 rangefinder is available in 32mm x 31mm x 20mm dimensions. This rangefinder features update rates of 1 to 50 readings per second, 36ns pulse width, 2mW average power, and 20kHz pulse frequency. The GRF-250 rangefinder is immune to background light, noise, and noise. This rangefinder is used in above-ground level and security applications.
Features
- Lightweight:
- Ultralight at 10.65g
- Ideal sensor for demanding applications with strict weight constraints
- First and last pulse detection:
- Detects both the first and last objects in the line of sight
- Helps penetrate foliage from treetops or penetrate through environmental conditions such as mist, dust, snow, and rain
- Long-range capability with reliable laser rangefinder capabilities over distances up to 250m
- Compact:
- 32mm x 31mm x 20mm dimensions
- Specifically designed for integration into space-constrained gimbals
- Operates based on the time-of-flight principle
- Comply with class 1M eye safety standards
Applications
- Gimbal rangefinding that involves integrating the GRF-250 into an Electro-Optical/Infrared (EO/IR) gimbal
- Above Ground Level (AGL): Provides the range and precision for AGL, which is important to UAV operations to ensure compliance with height restrictions imposed by aviation authorities
- Provides invisible perimeter security solutions for detecting intrusions and unauthorized movements and triggering area-denial actions
Specifications
- 10m to 250m/32.8ft to 820.2ft rangefinding capabilities
- 950nm wavelength
- Update rates of 1 to 50 readings per second (customizable to suit the application)
- ± 50cm/± 19.6″ (1 sigma) accuracy
- Maximum 5 target discrimination
- Mechanical foresight of ±1.5° with respect to the mechanical interface
- Serial UART and I2C (3.3V TTL and 5V tolerant)
- -20°C to 60°C operating temperature range
- 36ns pulse width
- 2mW average power
- 20kHz pulse frequency
- <1% false alarm rate
- < 0.5° beam divergence
Kit Contents
- GRF-250 laser rangefinder
- Communication cable
Videos
Mechanical Interface
Additional Resources
發佈日期: 2024-09-19
| 更新日期: 2025-01-28
