Littelfuse MTR Power Distribution Fuseholder
The Littelfuse MTR Power Distribution Fuseholder offers a 32VDC maximum voltage range, IP67 ingress protection, and an input current rating of up to 100A. This holder accommodates two MINI® fuses and two JCASE® fuses. The four fuses are bussed internally to the main input power stud, allowing the user to reduce wiring by making one input connection to power four fuse circuits. The Littelfuse MTR Power Distribution Fuseholder is sealed, enabling it to be used in heavy-duty environments.Features
- Compact holder houses
- Two JCASE® cartridge fuses
- Two MINI® bladed fuses
- Four positions
- Gasket-sealed holder prevents moisture and contamination ingress
- Internally bussed to a single main power stud—one input powers four fuse circuits
Specifications
- 32VDC voltage rating
- IP67 ingress protection
- 100A max input current at +23°C
- 70A max input current at +85°C
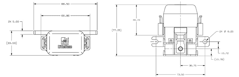
Dimensions (mm)
Additional Resources
發佈日期: 2020-04-13
| 更新日期: 2024-06-18
