Littelfuse SP3019 Series 4 Channels TVS Diode Array
Littelfuse SP3019 Series 0.3pF SOT23-6L 4 Channels TVS Diode Array provides protection for electronic equipment that may experience destructive electrostatic discharges (ESD). The robust components can safely absorb repetitive ESD strikes above the maximum contact level specified in the IEC 61000-4-2 international standard (±8kV contact discharge) without performance degradation. The Littelfuse SP3019 diodes feature 4 integrated channels of ultra-low capacitance for asymmetrical protection. The extremely low off-state capacitance makes it ideal for protecting high-speed signal lines such as USB3.0, HDMI, USB2.0, and eSATA.Features
- ESD, IEC 61000-4-2, +22kV/-10kV contact, +22kV/-10kV air
- EFT, IEC 61000-4-4, 40A (tP=5/50ns)
- Lightning, 2.5A (8/20 as defined in IEC 61000-4-5 2nd edition)
- Low capacitance of 0.3pF at 0V, 3GHz (typ) per I/O
- Low leakage current of 10nA (typ) at 5V
- AEC-Q101 qualified
- Moisture Sensitivity Level (MSL -1)
- Halogen free, lead free
Applications
- LCD/PDP TVs
- External storages
- DVD/Blu-ray players
- Desktops
- MP3/PMP
- Set top boxes
- Smartphones
- Ultrabooks/Notebooks
- Digital cameras
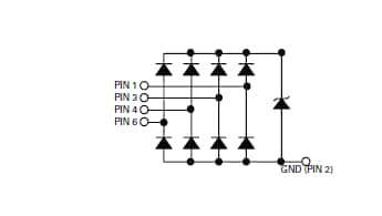
Functional Block Diagram
發佈日期: 2018-02-21
| 更新日期: 2023-02-14
