MEAN WELL XTR Ultra Slim Industrial DIN Rail Power Supplies
MEAN WELL XTR Ultra Slim Industrial DIN Rail Power Supplies are three-phase, compact, and high-performance power supplies with built-in DC OK relay contact. These power supplies offer 93% maximum efficiency and constant currency with up to 150% peak power. The XTR power supplies feature <2.5W, no load power dissipation, <10A ultra-low inrush current, a fanless design, and a narrow 48mm casing. These power supplies are available in 240W, 480W, and 960W power with three terminal options. The XTR power supplies offer short-circuit, overload, overvoltage, and overtemperature protections. These power supplies are used in applications such as factory automation, industrial control systems, semiconductor fabrication equipment, and electromechanical apparatus.Features
- <2.5W no load power dissipation
- 3-phase 320VAC to 600VAC wide input voltage range, 600VAC to 700VAC surge input for 1 second
- 48mm ultra-slim width
- Up to 93% high efficiency
- 150% peak power capability
- Built-in constant current limiting circuit
- Fanless design
- Built-in DC OK relay contact
- <10A ultra-low inrush current
- Up to 5000m operating altitude
- -40°C to 85°C operating temperature range
- Over-voltage, over-temperature, overload, and short circuit protection
- Global certificates in multi-fields (ITE 62368-1, industrial 61558-1/-2-16, 61010) and marine DNV, SEMI47, and C1D2 HazLoc approved
Applications
- Factory automation
- Industrial control systems
- Semiconductor fabrication equipment
- Electro-mechanical apparatus
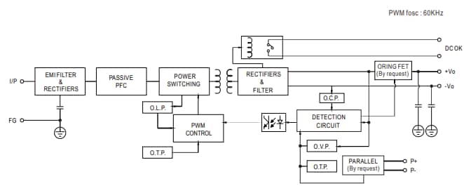
Block Diagram
Videos
發佈日期: 2025-05-01
| 更新日期: 2025-10-09
