Microchip Technology ATmega256x 8-bit Microcontrollers
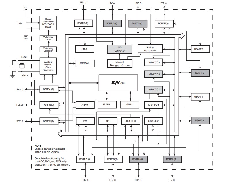
Microchip Technology ATmega256x 8-bit Microcontrollers provide a highly flexible and cost-effective solution to many embedded control applications. The ATmega256x 8-bit Microcontrollers AVR architecture supports a full suite of program and system development tools, including C compilers, macro assemblers, program debugger/simulators, in-circuit emulators, and evaluation kits.The ATmega256x features 256K bytes of In-System Programmable Flash with Read-While-Write capabilities, 4Kbytes EEPROM, 8Kbytes SRAM, and 86 general purpose I/O lines. Additionally, the device offers 32 general purpose working registers, a real-time counter, six flexible timer/counters with compare modes, PWM, 4 USARTs, byte-oriented 2-wire serial interface, 16-channel 10-bit A/D converter, and a JTAG interface for on-chip debugging.
The ATmega256x has an operating voltage range of 1.8-5.5V, with a throughput of 16 MIPS at 16 MHz. The device achieves a throughput approaching 1 MIPS per MHz by executing powerful instructions in a single clock cycle, balancing power consumption and processing speed.
Features
- High Performance, Low Power Atmel® AVR® 8-Bit Microcontroller
- Temperature Range: -40°C to 85°C Industrial
- Ultra-Low Power Consumption
- Active Mode: 1MHz, 1.8V: 500µA
- Power-down Mode: 0.1µA at 1.8V
- Advanced RISC Architecture
- 135 Powerful Instructions – Most Single Clock Cycle Execution
- 32 × 8 General Purpose Working Registers
- Fully Static Operation
- Up to 16 MIPS Throughput at 16MHz
- On-Chip 2-cycle Multiplier
- High Endurance Non-volatile Memory Segments
- 64K/128K/256KBytes of In-System Self-Programmable Flash
- 4Kbytes EEPROM
- 8Kbytes Internal SRAM
- Write/Erase Cycles:10,000 Flash/100,000 EEPROM
- Data retention: 20 years at 85°C/ 100 years at 25°C
- Optional Boot Code Section with Independent Lock Bits
- In-System Programming by On-chip Boot Program
- True Read-While-Write Operation
- Programming Lock for Software Security
- Endurance: Up to 64Kbytes Optional External Memory Space
- Atmel® QTouch® library support
- Capacitive touch buttons, sliders and wheels
- QTouch and QMatrix acquisition
- Up to 64 sense channels
- JTAG (IEEE® std. 1149.1 compliant) Interface
- Boundary-scan Capabilities According to the JTAG Standard
- Extensive On-chip Debug Support
- Programming of Flash, EEPROM, Fuses, and Lock Bits through the JTAG Interface
- Peripheral Features
- Two 8-bit Timer/Counters with Separate Prescaler and Compare Mode
- Four 16-bit Timer/Counter with Separate Prescaler, Compare- and Capture Mode
- Real Time Counter with Separate Oscillator
- Four 8-bit PWM Channels
- Six/Twelve PWM Channels with Programmable Resolution from 2 to 16 Bits (ATmega1281/2561, ATmega640/1280/2560)
- Output Compare Modulator
- 8/16-channel, 10-bit ADC (ATmega1281/2561, ATmega640/1280/2560)
- Two/Four Programmable Serial USART (ATmega1281/2561, ATmega640/1280/2560)
- Master/Slave SPI Serial Interface
- Byte Oriented 2-wire Serial Interface
- Programmable Watchdog Timer with Separate On-chip Oscillator
- On-chip Analog Comparator
- Interrupt and Wake-up on Pin Change
- Special Microcontroller Features
- Power-on Reset and Programmable Brown-out Detection
- Internal Calibrated Oscillator
- External and Internal Interrupt Sources
- Six Sleep Modes: Idle, ADC Noise Reduction, Power-save, Power-down, Standby, and Extended Standby
- I/O and Packages
- 54/86 Programmable I/O Lines (ATmega1281/2561, ATmega640/1280/2560)
- 64-pad QFN/MLF, 64-lead TQFP (ATmega1281/2561)
- 100-lead TQFP, 100-ball CBGA (ATmega640/1280/2560)
- RoHS/Fully Green
- Speed Grade:
- ATmega640V/ATmega1280V/ATmega1281V: 0-4MHz@1.8V-5.5V, 0-8MHz@2.7V-5.5V
- ATmega2560V/ATmega2561V: 0-2MHz@1.8V-5.5V, 0-8MHz@2.7V-5.5V
- ATmega640/ATmega1280/ATmega1281: 0-8MHz@2.7V-5.5V, 0-16MHz@4.5V-5.5V
- ATmega2560/ATmega2561: 0-16MHz@4.5V-5.5V
Applications
- Embedded Control
- Power Regulation
- Rectification
- DAC
- Motor Control
Learn More About
Block Diagram
Architecture Overview
發佈日期: 2019-02-06
| 更新日期: 2023-05-12
