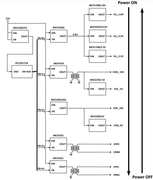
特點
- 包含超音波脈衝器和多路復用器演示所需的全部必要電壓軌
- 電源排序和故障保護
- 支援外部同步
- 單一12V輸入(亦與標準2.5mm電源插孔相容)
- 自動上電/斷電排序
- VNN電軌可配置為與VPP電軌相反的極性
- 可用的獨立電軌:
- 1.8V、2.5V、3.3V、5V、-5V、10V、-10V、VPP0、VNN0、VPP1和VNN1
- VPP電軌可配置為:
- 60V、80V、90V或100V
- VPP0、VNN0、VPP1、VNN1和-10V的可選外部同步
- 由低漣波LDO提供的1.8V、2.5V、3.3V、5V、-5V和10V電軌
- 所有電壓軌的狀態LED
- VPP0、VNN0、VPP1和VNN1電軌的故障監控,在發生故障時自動斷電
方塊圖
電源板參考設計
其他資源:
發佈日期: 2024-09-05
| 更新日期: 2024-11-20

