Microchip Technology HV53001 16通道推挽驅動器

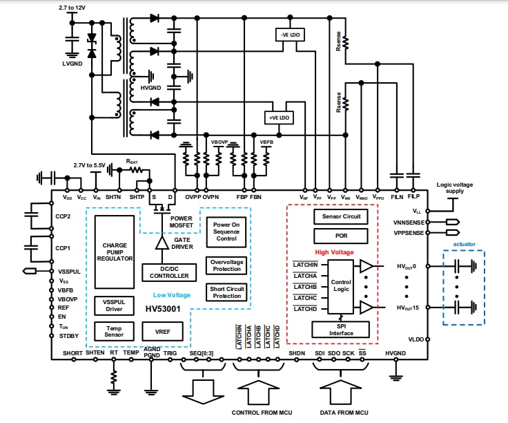
Microchip Technology HV53001 16通道推挽驅動器為各種應用提供整合式驅動器解決方案,包括三個主要功能塊、一個高電壓驅動器、一個SPI介面,以及一個帶功率的金屬氧化物半導體場效電晶體(MOSFET)的直流-直流升壓控制器。

HV53001具有16個具有±135V輸出擺幅的推挽驅動器,並具有返回歸零(RTZ)功能,每個驅動器均能傳輸及下降至少24mA。每個高電壓輸出均能驅動高達250pF的電容負載。此外,全局電流感應器功能被整合至HV53011中,以監測充電和放電電流。測得的電流透過電流感测電阻器對應至低壓類比輸出,標度因數為3.1V/V。

Microchip HV53001 16通道推挽驅動器使用SPI介面在主機處理器與高壓驅動器之間進行通訊。該介面提供最高32MHz時鐘速度的3.3V邏輯I/O訊號。五位數LATCH控制訊號管理資料流量和觸發模式,同時建立輸出至四個可能狀態之一:VPP、VNN、0V或高阻抗。

HV53001包含一個帶功率的金屬氧化物半導體場效電晶體(MOSFET)的直流-直流控制器。對於高電壓驅動器模組,控制器採用返馳式配置,以產生四個高電壓軌道:±135V和±123V,用於高電壓驅動器模組。±123V軌道是由兩個參考±135V電源軌的12V浮動電源創建。該轉換器接受2.7V至5.5V單個輸入電壓軌的輸入電壓。一個內建正極充電泵和簡單的外部負極充電泵將輸入電源轉換為+6.5V和-6.0V電源,為高電壓驅動器模組供電。

HV53001擁有精確的開機和關機序列,帶有供用戶使用的電源序列控制電路,控制電源以使高壓驅動器通電或斷電。該裝置搭配外部高壓單結型場效應電晶體使用。

HV53001包含許多安全特性,包括過電壓保護、短路保護及超溫監控功能。

HV53001裝置採用9mm x 9mm 105ball TFBGA封裝。所有高壓I/O均安排有足夠的安全間隙。

特點

  • 16通道推挽輸出
  • 返回歸零(RTZ)及高阻抗(Hi-Z)功能
  • 最高±135V輸出電壓
  • 24mA最小拉極輸出電流
  • 250pF最大輸出負載
  • 電流感應輸出
  • 具有每通道2位元四鎖存的SPI介面
  • 上電復位功能
  • 帶功率的金屬氧化物半導體場效電晶體的直流-直流升壓控制器
  • 2.7V至5.5V轉換器輸入電壓
  • 短路保護
  • 過熱監視器
  • 電源開/關序列控制
  • 關機功能
  • 105-ball 9mm x 9mm TFBGA封裝

應用

  • 表面觸控應用
  • 微機電系統驅動器
  • 壓電驅動器

典型應用圖

應用電路圖 - Microchip Technology HV53001 16通道推挽驅動器

結構圖

結構圖 - Microchip Technology HV53001 16通道推挽驅動器
發佈日期: 2022-04-15 | 更新日期: 2022-04-25