Microchip Technology MCP19122 & MCP19123 Hybrid Controllers

Microchip Technology MCP19122 and MCP19123 Hybrid Controllers offer excellent regulation accuracy, in a variable output analog PWM controller with an integrated microcontroller for supervisory and management functions. The MCP19122 and MCP19123 are mid-voltage (4.5V to 40V) analog-based synchronous buck PWM controllers with an integrated 8-bit PIC® Microcontroller. This combines the performance of a high-speed analog solution, including high-efficiency and fast transient response, with the configurability and communication interface of a digital solution.

Features

  • Wide 4.5V to 40V operating voltage range
  • Wide 0.3V to 16V  output voltage range
  • Analog emulated average-current mode Pulse-Width Modulation (PWM) control
    • Supports synchronous buck, or similar high/low side switch topologies
    • Operates from 100kHz to 1.6MHz, adjustable during operation
  • Integrated 8-Bit PIC Microcontroller
    • 4kw flash memory
    • 256B RAM
  • Significant configurability: adjustable analog compensation, switching frequency, UVLO, OVLO, Start-up Behavior, MOSFET deadtime, configurable GPIO pins, internal compensation network, I2C communication interface, and fault behavior
  • Integrated synchronous high- and low-side MOSFET drivers
  • Integrated High-side Current Sense
  • Integrated 10-bit Analog-to-Digital Converter
  • Multi-phase and multi-rail support as a master or slave device
    • Can provide or synchronize to an external clock
    • Can provide or synchronize to an external reference
  • Shutdown and brown-out support
    • 50uA quiescent current draw in sleep mode
    • Integrated POR and BOR functions
  • Three internal timers and a capture compare module
  • Integrated I2C interface, capable of PMBus support
  • Minimal external components needed
  • Custom algorithm support

The Microchip Technology MCP19122 Hybrid Controller is housed in a QFN-24 package and the MCP19123 Hybrid Controller is housed in a QFN-28 package. 

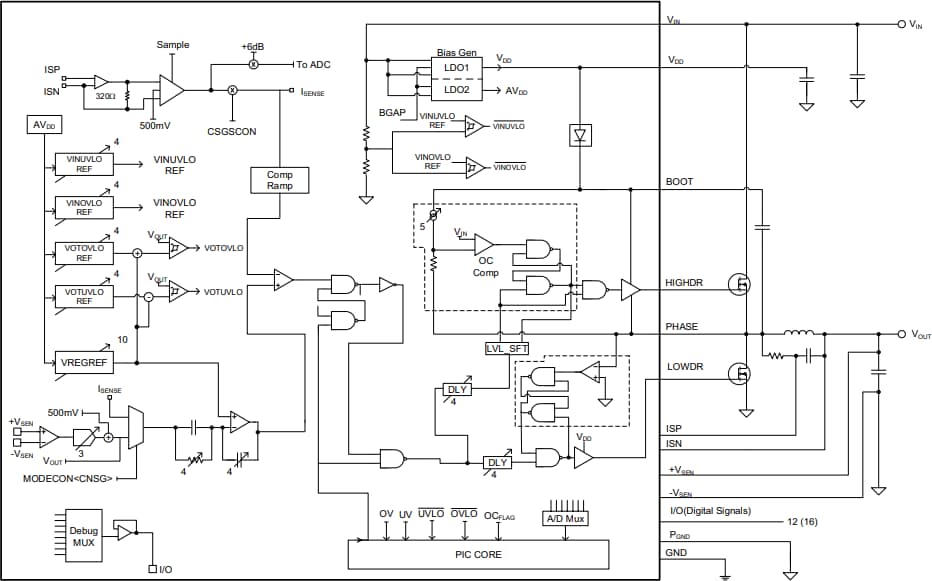
Block Diagram

Block Diagram - Microchip Technology MCP19122 & MCP19123 Hybrid Controllers
發佈日期: 2017-07-31 | 更新日期: 2022-03-23