Microchip Technology MCP19124 & MCP19125 PWM Controllers

Microchip Technology MCP19124 and MCP19125 PWM Controllers are highly integrated, mixed-signal low-side synchronous controllers that operate from 4.5V to 42V. These controllers allow the development of flexible power supplies that can be configured perfectly to the target application with minimal external components. The MCP19124 and MCP19125 Controllers provide smooth, dynamic transitions from constant-current to constant-voltage operation using the unique control loop architecture. These controllers contain two independent outer control loops that can be configured with separate feedback networks and separate references. The MCP19124 and MCP19125 Controllers are ideal for battery charging applications, LED lighting systems, and low-side switch PWM controllers.

The Microchip Technology MCP19124 is available in 4mm x 4mm QFN-24 and 5mm x 5mm QFN-28 packages. The MCP19125 is packaged in a 5mm x 5mm QFN-24.

Features

  • Smooth, dynamic transitions from constant-current to constant-voltage operation using the unique control loop architecture
  • Dynamically adjustable output current and output voltage over a wide operating range
  • Wide 4.5V to 42.0V operating voltage range
  • Analog peak-current mode Pulse-Width Modulation (PWM) control
  • Integrated 8-Bit PIC® Microcontroller
  • Significant configurability: adjustable output voltage, output current, MOSFET deadtime, leading-edge blanking time, thermal responses, slope compensation, over-current protection, over and under-voltage lockout levels
  • I2C communication interface
  • Available fixed frequency or quasi-resonant operation, adjustable 31kHz to 2MHz
  • 13 GPIO
  • Integrated synchronous low-side MOSFET drivers
  • Integrated high voltage linear regulator, with external output
  • Integrated temperatures sense diode
  • Integrated 10-bit ADC
  • Minimal external components needed
  • Custom algorithm support
  • Topologies supported include Boost, SEPIC, Flyback, and Cuk
  • Package options
    • MCP19124: QFN-24, QFN-28
    • MCP19125: QFN-24.

Applications

  • Battery chargers
  • LED lighting systems
  • Low-side switch PWM controllers

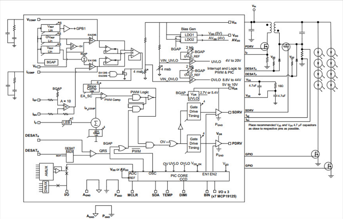
Block Diagram

Block Diagram - Microchip Technology MCP19124 & MCP19125 PWM Controllers
發佈日期: 2017-11-21 | 更新日期: 2022-04-05