此Microchip AFE還可在生產過程中更快完成校正。MCP3911提供四種不同的功耗模式,能彈性調整,用於每通道0.8 mA的極低功耗設計,或針對更高速訊號和諧波含量的設計。MCP3911亦支援2.7V至3.6V的類比和數位作業,透過使用與微控制器相同的電軌來簡化介面。
特點
- 兩個同步取樣16/24位元解析度Delta-Sigma A/D轉換器
- 94.5 dB SINAD、-106.5 dBc總諧波失真 (THD)(最多35次諧波)、111 dB
- 每個通道皆具SFDR
- 2.7V至3.6V AVDD、DVDD
- 可程式資料傳輸速率高達125ksps
- 最高取樣頻率:4 MHz
- 超取樣率高達4096
- 超低功耗關機模式:<2μA
- 兩個通道之間的串音:-122dB
- 低漂移1.2V內部電壓參考:7ppm/°C
- 差分電壓參考輸入腳位
- 每個通道皆具高增益PGA(高達32 V/V)
- 時間解析度1 μs的相位延遲補償
- 每個通道皆具獨立的調變器輸出腳位
- 獨立的資料就緒腳位,方便同步
- 每個通道皆具單獨的24位元數位偏移和增益誤差校正
- 高速20 MHz SPI介面,相容0,0和1,1模式
- 連續讀/寫模式,可實現最少的通訊
- 低耗電量(低功耗模式下,3.3V時為8.9 mW,3.3V時為5.6 mW,典型值)
應用
- 電度表與能源測量
- 汽車
- 可攜式儀器
- 醫療與電源監控
- 聲音/語音辨識
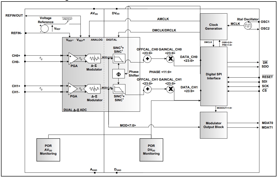
功能方塊圖
發佈日期: 2012-05-02
| 更新日期: 2023-08-15

