Microchip Technology MIC23350/23356/23656 Step-Down Regulators
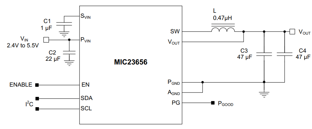
Microchip Technology MIC23350/23356/23656 Step-Down Regulators are synchronous regulators with HyperLight Load™ that provide high efficiency at light loads. MIC23350 regulators employ two VSEL (voltage selection) three-state pins to set the output voltage for nine combinations. These regulators are available in a thermally efficient, 16-lead, 2.5mm x 2.5mm x 0.5mm thin MLF package. The MIC23350/23356/23656 regulators feature a 2.4V to 5.5V input voltage range, and the low shutdown and quiescent currents are ideal for single-cell, Li-ion, and battery-powered applications.Features
- MIC23350:
- 3A continuous current
- Compact size
- Output programmable with two VSEL three-state pins
- 2.4V to 5.5V input voltage range
- Open-drain Power Good (PG) output
- MIC23356:
- 3A continuous current
- I2C programmable
- Constant-ON-Time (COT) control architecture with HLL
- 2.4V to 5.5V input voltage range
- Open-drain Power Good (PG) output
- MIC23656:
- 6A output current (pulsed)
- Multiple faults indication through I2C
- Fast transient response
- Safe-start-up with a pre-biased output
- Latch-Off thermal shutdown protection
- Latch-Off current limit protection
- Power good open-drain output
Applications
- Solid State Drives (SSD)
- FPGAs, DSP, and low-voltage ASIC power
發佈日期: 2019-01-22
| 更新日期: 2023-05-09
