Microchip Technology MPLAB® PICkit™ 5電路內偵錯工具/程式設計工具
Microchip Technology MPLAB® PICkit™ 5電路內偵錯工具/程式設計工具適用於所有的Microchip元件(包括PIC®、dsPIC®、AVR®和SAM (Arm®) 裝置),可快速打造原型和可攜式、生產就緒的程式設計。此套件搭配MPLAB X整合開發環境 (IDE) 使用,提供了強大且易用的圖形使用者介面 (GUI),能用於偵錯和程式設計。也可透過BLUETOOTH®連線,將MPLAB PICkit 5與MPLAB Programmer-To-Go (PTG) 行動應用程式一起作為獨立的偵錯工具/程式設計工具使用。使用者可利用這款多功能的程式設計工具進行解決方案的原型設計和偵錯。只要拔掉接頭,就能前往現場部署解決方案。MPLAB PICkit 5支援多種介面,例如四線JTAG或含串流式UART虛擬COM連接埠 (VCP) 的序列線除錯 (SWD),並可透過偵錯工具轉接板 (AC102015) 使用JTAG、SWD、ICSP和AVR通訊協定等標準連接器。靠著獨特的Programmer-To-Go功能,PICkit 5也可由目標板供電,且只需按下隱藏在標誌下方的按鈕,即可編程預設影像。使用者也可使用MPLAB PTG行動應用程式透過藍牙進行連接,瀏覽工具中裝入的micro SDTM卡以取得不同的影像,並直接從應用程式開始對目標板進行編程。
特點
- 透過USB Type-C™纜線連接電腦
- 透過USB或目標裝置供電,且能選擇為目標供電(高達150 mA)
- 8腳位SIL編程連接器,可選擇使用各種介面
- 使用MPLAB X IDE或MPLAB IPE對裝置進行編程
- 支援
- Programmer-To-Go (PTG),於現場進行裝置編程
- MPLAB PTG iOS/Android應用程式,用於透過藍牙選取及管理PTG程式影像
- 虛擬COM連接埠 (VCOM)
- 多重硬體/軟體斷點、計時器和原始碼檔案偵錯
- 透過MPLAB X IDE或MPLAB IPE中的新/更新套件取得新裝置/功能
- 偵錯
- 即時在使用者自有硬體上針對應用程式偵錯
- 以裝置全速運作
- 依照內部事件設定斷點
- 監控內部檔案暫存器
- 設定腳位驅動器
- 透過指示燈條顯示偵錯工具的狀態
- 作業溫度範圍:0至+70°C
- 效能/速度
- 即時作業系統 (RTOS)
- 切換裝置時不會產生韌體下載延遲
- 32位元MCU,作業時脈300 MHz
- 安全
- 當目標需要外部電源供應時接收來自偵錯工具的回饋
- 支援目標供應電壓
- 低電壓編程模式輸入:1.2V至5.0V
- 高電壓編程模式輸入:1.8V至5.0V
- 探針驅動器中加入了保護電路,可防止目標功率突波
- VDD和VPP電壓監控器可避免過電壓狀況/所有線路均具備過電流保護
- 使用可編程電阻值範圍和方向(上拉、下拉或不存在)對腳位進行編程/偵錯
- 可控制的編程速度可彈性克服目標板的設計問題
- 符合CE和RoHS標準
套件內容
- 矩形MPLAB PICkit 5單元採用耐用的黑色塑膠外殼,外殼頂端有金屬髮絲紋,並帶有指示燈條
- USB Type-C連接器
- 8腳位單列直插 (SIL) 連接器
- Micro Sd卡插槽
- 緊急恢復按鈕
- 纜繩連接器
- USB Type-C纜線提供:
- 偵錯工具和電腦之間的通訊
- 偵錯工具電源
- 用於MPLAB PTG應用程式和MPLAB PICkit 5之間通訊的藍牙5.0認證模組
- 2張MPLAB PICkit 5電路內偵錯工具/程式設計工具貼紙
所需器材
- 可用的USB 2.0連接埠
- Microsoft Windows® 7以上版本、macOS®或Linux®
- MPLAB X IDE 6.10以上版本
影片
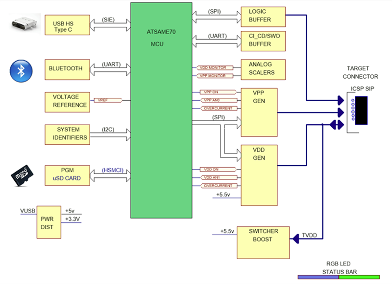
方塊圖
發佈日期: 2023-05-31
| 更新日期: 2025-08-06
