PIC18FxQ10 MCU可透過上電復位(POR)、欠壓復位(BOR)、低功耗欠壓復位(LPBOR)、堆疊溢位或堆疊下溢輕鬆重設。這些PIC18FxQ10 MCU能夠透過兩個腳位進行In-Circuit Serial Programming™ (ICSP™),以及經由兩個腳位並借助三個中斷點進行電路內調試 (ICD)。只有在超時期間並在特定視窗內執行操作時,WWDT才接受CLRWDT指令,從意外事件中恢復系統。帶故障保護時鐘監控器 (FSCM) 的振盪器模組具有多種選擇特性和時鐘源,以便在最大程度上降低功耗並提高性能。
特點
- C編譯器優化的RISC架構
- 4個16位元計時器
- 低電流上電復位 (POR)
- 上電計時器 (PWRT)
- 欠壓復位 (BOR)
- 低功耗BOR (LPBOR) 選項
- 視窗看門狗計時器 (WWDT)
- PIC18F24/45/25Q10:
- 高達32KB的程序快閃記憶體
- 高達2048B的資料SRAM記憶體
- 256B資料EEPROM
- PIC18F26/46Q10:
- 高達64KB的程序快閃記憶體
- 高達3615B的資料SRAM記憶體
- 高達1024B的資料EEPROM
- 工作電壓範圍:1.8V - 5.5V
- 高精度內部振盪器塊 (HFINTOSC)
- 32kHz低功耗內部振盪器 (LFINTOSC)
- 32kHz外部晶體振盪器
- 故障安全時鐘監控器 (FSCM)
- 模擬外設:
- 帶計算功能的10位ADC (ADC2)
- 硬體電容分壓器 (CVD)
- 零交叉偵測 (ZCD)
- 5位元數位類比轉換器 (DAC)
- 兩個比較器 (CMP)
- 固定電壓基準 (FVR) 模組
- 數位外設:
- 互補波形生成器 (CWG)
- 捕捉/比較/PWM (CCP)模組
- 10位脈寬調製器 (PWM)
- 帶記憶體掃描功能的可編程CRC
- 外設引腳選擇 (PPS)
- 資料訊號調製器 (DSM)
MPLAB® Xpress雲端IDE
MPLAB® Xpress雲端IDE是一款線上開發環境,囊括了我們屢獲獎項的MPLAB X IDE中的大多數常用功能。這一精簡的應用程式忠實地還原了Microchip基於桌面的程式,讓使用者可在兩種環境間輕鬆切換。
MPLAB Xpress是PIC® 微控制器(MCU)新使用者的完美起點 - 無需下載、無機器設定、無需等待啟動您的系統開發。
影片
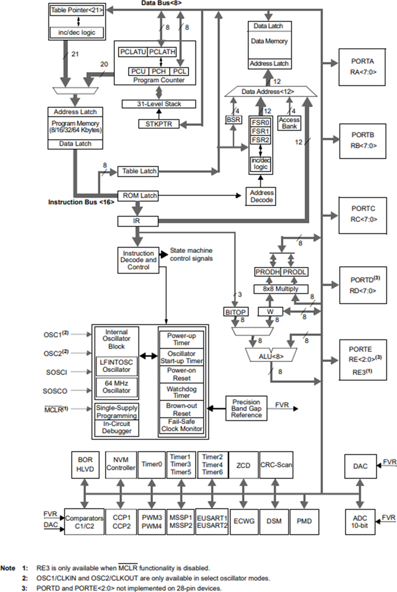
PIC18FxQ10 MCU結構圖
發佈日期: 2018-08-20
| 更新日期: 2025-06-13

