Microsemi / Microchip 相腳SiC MOSFET電源模組
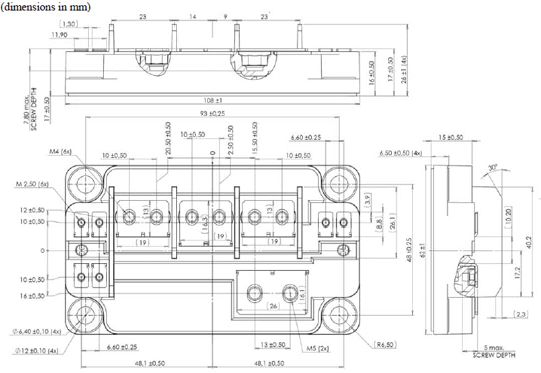
Microsemi/Microchip相腳SiC MOSFET電源模組由SiC MOSFET與SiC二極體組成,因此同時結合了兩種裝置的優點。這些模組具有極低電感的SP6LI封裝,最大雜散電感為3nH。這些SP6LI功率模組有1200伏與1700伏兩種型號,外殼溫度(T
c)為80°C。SP6LI封裝提供更高的功率密度與小巧的外形,使得並行的模組數量更少,從而實現完整的系統,幫助設計者進一步縮小裝置的尺寸。
特點
- SiC電源MOSFET
- SiC肖特基二極體
- 零反向恢復
- 零前向恢復
- 獨立於溫度的開關行為
- VF上的正溫度係數
- 便於驅動的Kelvin源極
- 極低雜散電感
- M5電源連接器
- 溫度監測用內熱敏電阻
- 改善熱性能的AIN基板
- 高開關頻率
- 高效率
- SP6LI封裝
應用
- 電動汽車/混合動力電動汽車(EV/HEV)動力系統及動能回收系統(KERS)
- 飛機驅動系統
- 發電系統
- 開關電源
- 感應加熱
- 醫療電源
- 光伏/太陽能/風能轉換器
- 不間斷電源(UPS)
Related Products
軟體可配置的1200V雙通道碳化矽閘極驅動器核心。
Allows evaluation of the AgileSwitch 2ASC-12A1HP SiC Gate Driver Core.
Complete evaluation and development platform for the 2ASC-12A1HP 1200V SiC Gate Driver Core.
可展示2ASC-12A1HP SiC閘極驅動器核心搭配不同SiC MOSFET功率模組使用時的特性。
發佈日期: 2020-04-14
| 更新日期: 2024-07-24