Microchip Technology HV2605/HV2705 16-Channel Analog Switches
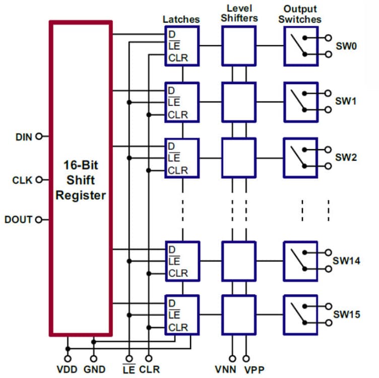
Microchip HV2605/HV2705 16-Channel Analog Switches are low charge injection, 16-channel, high voltage analog switch integrated circuits (ICs) intended for use in applications requiring high voltage switching controlled by low voltage control signals, such as medical ultrasound imaging and other piezoelectric transducer drivers. Input data is shifted into a 16-bit shift register that can then be retained in a 16-bit latch. To reduce any possible clock feed-through noise, the latch enable bar should be left high until all bits are clocked in. Data is clocked in during the rising edge of the clock. Using HVCMOS technology, these devices combine high voltage bilateral DMOS switches and low power CMOS logic to provide efficient control of high voltage analog signals.Features
- HVCMOS technology for high performance
- 16-channel high voltage analog switch
- 3.3V input logic level compatible
- 20MHz data shift clock frequency
- Very low quiescent power dissipation (-10μA)
- Low parasitic capacitance
- DC to 50MHz small-signal frequency response
- -60dB typical off-isolation at 5.0MHz
- CMOS logic circuitry for low power
- Low harmonic distortion
- Cascadable serial data register with latches
- Flexible operating supply voltages
Applications
- Medical ultrasound imaging
- NDT metal flaw detection
- Piezoelectric transducer drivers
- Optical MEMS modules
HV2605 Block Diagram
HV2705 Block Diagram
發佈日期: 2013-05-22
| 更新日期: 2022-03-11
