Mikroe Intel® Joule™ click Shield
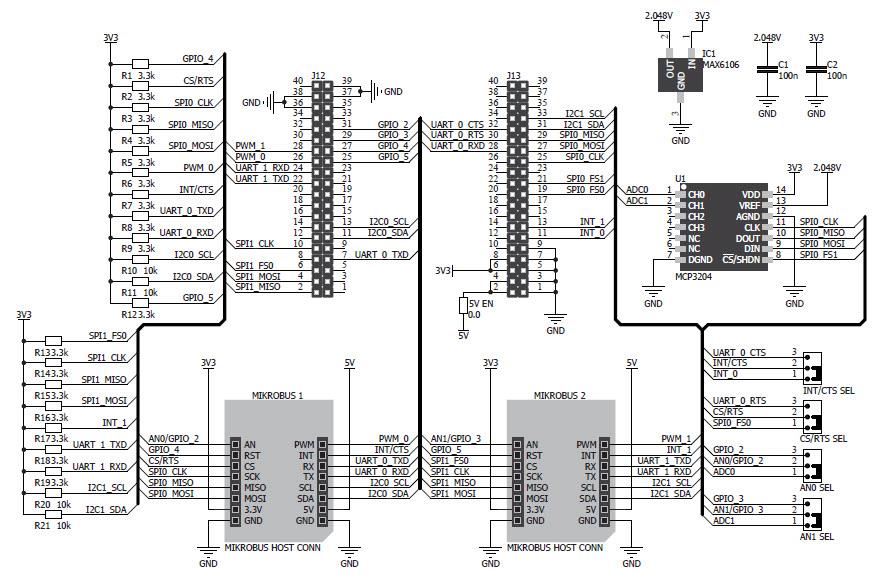
Mikroe Intel® Joule™ click Shields are an extension for the Intel Joule Expansion Board for adding more than 270 click boards to a project. Add displays, Wi-Fi®, ZigBee, or BLUETOOTH® transceivers, Ethernet modules, sensors, MP3 codec circuits, and other features with ease. The click boards come with examples written in Mikroe compilers for a great base for future projects.The Intel Joule click Shield boards include the MCP3204 12-Bit A/D Converters with SPI™ Serial Interface. The boards also features 2x40-pin connectors. The Intel Joule Expansion Board is intended to breakout all I/O interfaces from the Intel Joule module into easily accessible connectors.
The Intel Joule module is a powerful system on module (SoM) designed to help inventors and IoT developers contribute to a new generation of robots, drones, and IoT devices that are equipped with Intel HD Graphics, 3D modeling, object recognition, and interactive capabilities.
Features
- MIKROE-2546: two mikroBUS™ sockets
- MIKROE-2582: four mikroBUS™ sockets
- MCP3204 ADC
- 2x40 connector pins
- 3.3V power supply
MIKROE-2546 Jumpers & Settings
MIKROE-2582 Jumpers & Settings
發佈日期: 2017-03-08
| 更新日期: 2022-07-08
