Monolithic Power Systems (MPS) EVQ6527-F-00A Evaluation Board
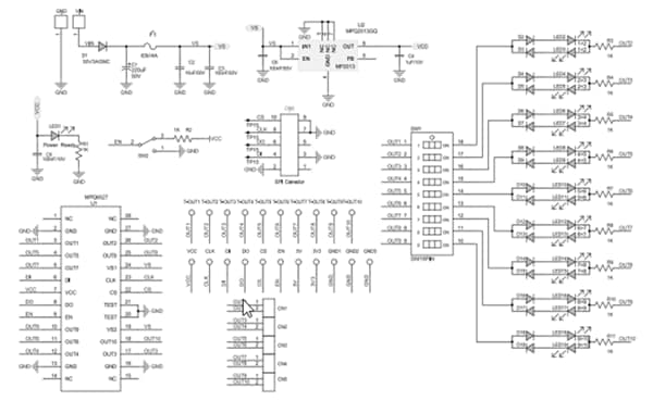
Monolithic Power Systems (MPS) EVQ6527-F-00A Evaluation Board is designed to demonstrate the capabilities of the MPQ6527, a ten-channel half-bridge gate driver with serial input control. The standard serial data interface controls the ten half-bridges independently, and each half-bridge comes with various diagnostic functions. The MPQ6527 achieves up to 0.8A output current (IOUT) across a wide 5.5V to 40V input voltage (VIN) range.Features
- Wide 5.5V to 40V operating input voltage (VIN) range
- Up to 0.8A output current (IOUT)
- Typical 1.3Ω HS-FET and LS-FET RDS(ON)
- Low quiescent current (IQ) in standby mode vs. total temperature range
- Serial data interface
- Daisy chaining possible
- Available in a TSSOP28-EP package
- Available in AEC-Q100 grade
- Diagnostic functions include:
- Shorted output
- Open-load detection
- Over-Temperature (OT)
- Over-Voltage (OV)
- Under-Voltage (UV)
Applications
- Motor drivers
- Telecom half-bridge power supplies
- Avionics DC/DC converters
Schematic diagram
Board Overview
發佈日期: 2022-08-30
| 更新日期: 2022-09-29
