Monolithic Power Systems (MPS) MP2174Cx Synchronous Step-Down Converters
Monolithic Power Systems (MPS) MP2174Cx Synchronous Step-Down Converters are monolithic, step-down, and switch-mode converters featuring built-in internal power MOSFETs. These step-down converters feature the Constant-On-Time (COT) control scheme, which provides fast transient response and easy loop stabilization. The MP2174Cx converters include fault condition protection, which features a cycle-by-cycle current limit and thermal shutdown. These step-down converters operate at 2.7V to 5.5V input voltage range and -40°C to +125°C temperature range.MPS MP2174Cx converters offer 4A output current, 1.1MHz frequency, and 0.6V output voltage. These step-down converters provide auto-discharge at power off, 100% duty cycle in dropout, and short-circuit protection with Hiccup mode. The MP2174Cx converters also feature 0.5ms internal soft-start time and peak efficiency above 96%. These step-down converters are ideal for storage drives, portable instruments, DVD drives, low voltage I/O system power, and small handheld devices.
Features
- Forced PWM mode operation
- >96% peak efficiency
- 100% duty cycle in dropout
- Auto discharge at power-off
- Short-circuit protection with hiccup mode
- Constant-On-Time (COT) control scheme
- EN and power good for power sequencing
- Fault condition protection
- Cycle-by-cycle current limit
- Thermal shutdown
Applications
- Storage drives
- Portable instruments
- DVD drives
- Low-voltage I/O system power
- Small handheld devices
- PDAs
Specifications
- 2.7V to 5.5V operating input voltage range
- 4A output current
- 1.1MHz frequency
- 0.5ms internal soft-start time
- 35mΩ and 18mΩ internal power MOSFET
- 0.6V low output voltage
- -40°C to +125°C operating temperature range
- +150°C junction temperature
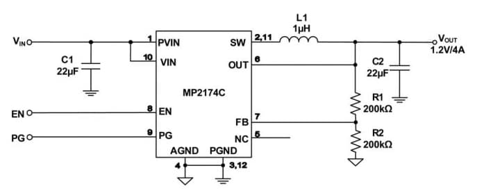
Application Circuit Diagram
發佈日期: 2020-03-12
| 更新日期: 2024-10-16
