Monolithic Power Systems (MPS) MP6005A Flyback & Forward Controller
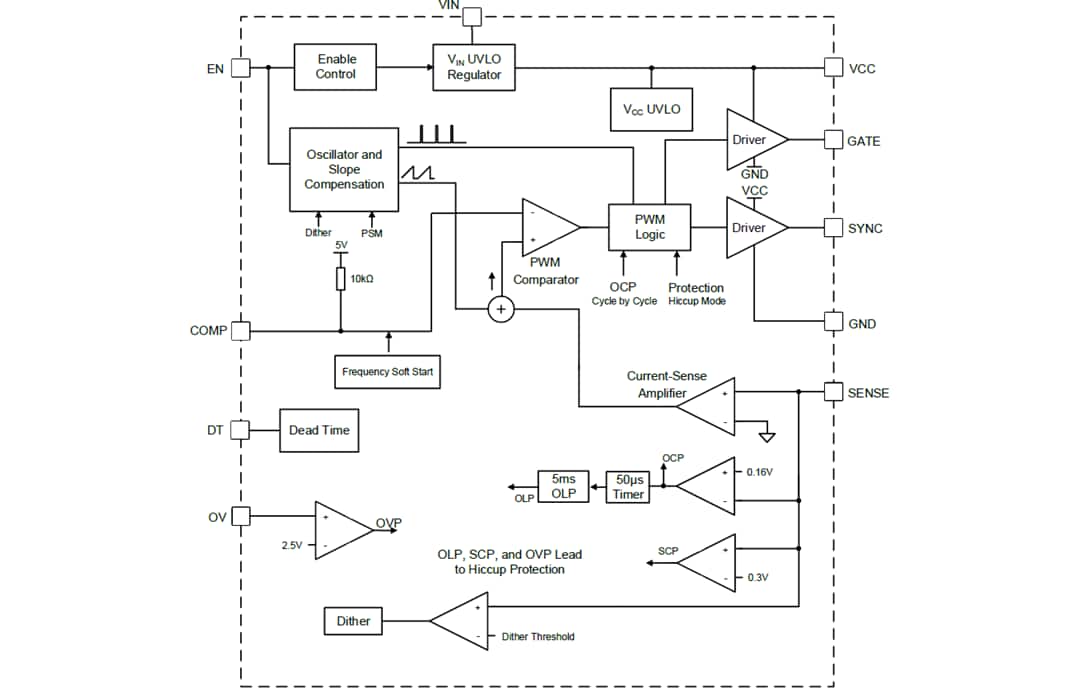
Monolithic Power Systems (MPS) MP6005A Flyback and Forward Controller is optimized for wide-input, high-frequency flyback applications and active-clamped forward applications. The MP6005A operates from a wide range of 8V to 80V input voltage (VIN). Current mode control provides simple loop compensation and cycle-by-cycle current limiting. The 420kHz fixed switching frequency (fSW) minimizes the number of external components. The 2A gate driver minimizes the external MOSFET's power loss, and the 0.8A synchronous (SYNC) driver provides a high-efficiency solution for active-clamped forward topologies. The MP6005A also features frequency dithering, soft start, overload protection (OLP), and over-voltage protection (OVP).The Monolithic Power Systems (MPS) MP6005A Flyback and Forward Controller is housed in a QFN-10 package.
Features
- Wide 8V to 80V input voltage range
- 420kHz fixed switching frequency
- 2A gate and 8A sync drivers
- Internal VCC supply compatible with 16V external power
- 160mV switching current-sense (CS) limit
- Synchronous SYNC driver for high-efficiency, active-clamped forward solution
- Hiccup protection for overload protection (OLP), short-circuit protection (SCP), over-voltage protection (OVP), and thermal shutdown
- EMI reduction with frequency dithering
- -40°C to +125°C operating temperature range
- 3mm x 3mm QFN-10 package
Applications
- Security cameras
- Video telephones
- Wireless Access Points (WAPs)
- Point-of-Sale (POS) systems
- Power over Ethernet (PoE) systems
- Industrial isolated power supplies
Videos
Typical Application Circuit
Block Diagram
Package Outline
Additional Resources
發佈日期: 2022-04-07
| 更新日期: 2022-08-12
