Monolithic Power Systems (MPS) MPQ2169B Synchronous Step-Down Regulators
Monolithic Power Systems (MPS) MPQ2169B Synchronous Step-Down Regulators are compact, high-performance step-down regulators. The Monolithic Power Systems (MPS) MPQ2169B is designed to meet the power demands of portable devices. The device has an input voltage range of 2.7V to 6V and a configurable output current of 1.4A/1.4A or 2A/0.8A. The dual PWM synchronous regulator is ideal for powering single-cell Li-ion battery-based equipment. Equipped with internal compensation and a low quiescent current of only 65µA, the MPQ2169B offers unparalleled efficiency and flexibility.Features
- Cooler thermals
- Below 20°C Operating Junction Temperature (TJ) rise at 2A/0.8A, 2.3MHz
- 90% efficiency (5V to 1.8V, 2A, 2.3MHz)
- Low-Ohmic BCD FET technology
- Low noise EMI and EMC
- MeshConnect™ flip-chip package
- Operates outside of AM radio band
- Reduces board size and BOM
- Integrated compensation network
- Available in a small QFN-18 (2.5mm x 3.5mm) package
- Additional features
- Power Good (PG) output
- External Soft Start (SS) and tracking
- Over-Current Protection (OCP) with hiccup mode
- External sync clock
- Forced Continuous Conduction Mode (FCCM)
- 100% duty cycle operation
- Available in AEC-Q100 grade 1
Applications
- Automotive infotainment
- Automotive clusters
- Automotive telematics
- Battery-powered devices
- Portable instruments
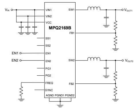
TYPICAL APPLICATION
發佈日期: 2023-04-19
| 更新日期: 2023-05-05
