Nexperia SOT8015 Surface-Mounted Package Products
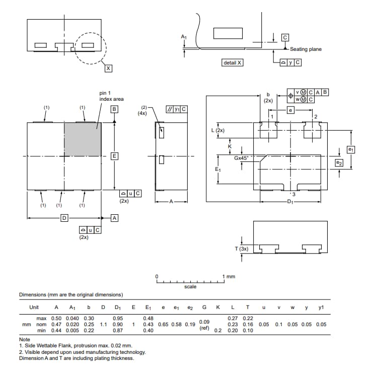
Nexperia SOT8015 Surface-Mounted Package Products offer a plastic, leadless, extremely thin small outline package with side-wettable flanks (SWF). The SOT8015 provides three terminals, a 0.65mm pitch and a 1.1mm x 1mm x 0.48mm body. The SOT8015 package has a package style descriptive code of HUSON (thermal enhanced ultra thin small outline, no leads) and a 1.4mm x 1.8mm footprint. The Nexperia SOT8015 devices have a 2.52mm2 footprint area.Features
- B (bottom) Terminal position code
- HUSON3 Package type descriptive code
- DFN1110D-3 Package type industry code
- HUSON (thermal enhanced ultra thin small outline, no leads) package style descriptive code
- P (plastic) Package body material type
- MO-340BA JEDEC package outline code
- S (surface mount) Mounting method type
- No package outline detail graphic references
- 29-11-2019 Issue date
- SOT8015 Manufacturer package code
- 1.4mm x 1.8mm Footprint dimensions
- 2.52mm2 Footprint area
Package Summary
Videos
Package Outline
發佈日期: 2022-07-22
| 更新日期: 2025-10-23
