NXP Semiconductors NAFE11388-EVB Evaluation Board
NXP Semiconductors NAFE11388-EVB Evaluation Board evaluates the NAFE11388 industrial-grade 8-channel universal input analog front-end (AFE). The NXP AFE meets high-precision measurement requirements. The software-defined factory is enabled by NXP's N-AFE analog front end. Beyond Industry 4.0, Manufacturing today is facing a significant transformation called Industry 4.0. Market demands like increased product variability are changing production. To meet these demands, a way to reconfigure production lines to run promptly is needed to maintain profit margins. The ability of smart factories to reconfigure is key. N-AFE analog front-end targeting factory automation applications can be configured for different inputs like voltage, current, resistance, RTD, and more to enable a software-defined factory.Features
- Up to 8 software-configurable channels
- Voltage, current, RTD, thermocouple
- +/-0.15 to +/-12.5 ranges for single-ended signals
- ±40V protection against miswiring
- High accuracy
- 0.002% system accuracy in room
- 0.05% system accuracy over temperature
- 10ppm max system level non-linearity
- High precision, 180dB dynamic range
- 17-bit ENOB at 7us/reading for single input
- 17-bit ENOB at 36us/reading for multi-input
- 1.0uVrms at 2.25ksps
- 0.2uVrms at 60sps and 50sps
- Fast and flexible data acquisition
- 20us/reading for multi-inputs
- Fast and configurable sequencer to offload EP
- Fast and flexible reading modes
- Digital factory calibration and self-calibration
- 24-bit wide x 48-word deep NVM for calibration coefficients
- Internal sources for system self-calibration
- Advanced protection and diagnostic
- Supplies monitoring, UVLO, OVD on signal path
- Redundant voltage reference and temp sensor
- BIST for complete signal path monitoring and failure and aging prediction
Applications
- Industry 4.0 transformation in manufacturing
- Increased product variability in traditional production
- Timely reconfiguration of production lines to maintain profit margins
- Smart factories and the ability to reconfigure
- N-AFE analog front end for factory automation
- Support for different types of inputs (voltage, current, resistance, RTD)
- Software-defined factories
- Enhanced accuracy and precision for improved product quality
- Predictive maintenance for identifying issues before occurring to avoid downtime
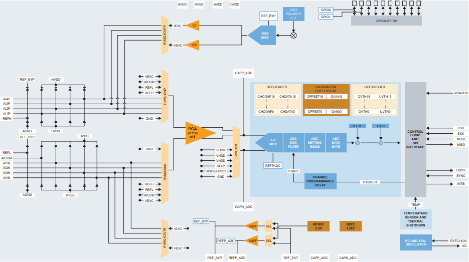
Block Diagram
發佈日期: 2022-12-02
| 更新日期: 2023-01-16
