特點
- 支援12V電源系統及高達250W的汽車BLDC/PMSM電機控制系統
- 支援BLDC/PMSM無感應器FOC控制,雙分流與單分流均可
- 啟動穩健快速,滿足嚴格的啟動條件,從靜止到達到額定速度不到150ms
- 交叉當前的I/F啟動及初始位置檢測演算法確保啟動成功
- 板已經過電源電壓變化、負載變化、速度指令跳變及升溫測試
- 使用強大的柵極驅動器單元(GDU)支援多種診斷與保護策略
- 支援過壓(OV)、欠壓(UV)、短路與過流(OC)、過熱(OT)及失速檢測
- 支援PWM/FreeMASTER/LIN的速度指令,由用戶定義
應用
- 汽車燃料泵
- BLDC/PMSM應用
技術資源
板佈局
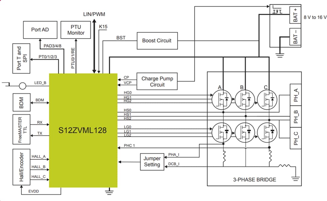
結構圖
軟件結構圖
發佈日期: 2020-06-11
| 更新日期: 2024-10-25
