規格
- 24V輸出電壓
- 170VAC至264VAC輸入電壓範圍
- 240W至960W額定功率
- 效率高達95%
- 過壓與過載保護
- 50/60Hz(47Hz至63Hz)額定頻率
- 1mA(最大值)漏電流
- 符合EN/IEC 61558-2-16標準
- -40°C至+70°C環境溫度範圍
- 2個MOSFET繼電器輸出(1個用於直流輸出,另1個用於過載保護)
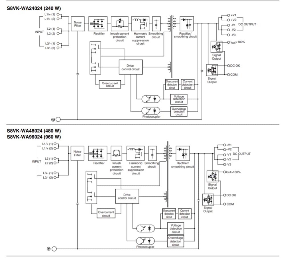
方塊圖
影片
其他資源
發佈日期: 2019-04-16
| 更新日期: 2025-06-04
臺灣|
新臺幣
國際貿易術語:貨交承運人(裝運地點) 關稅、海關手續費和貨物服務稅在交貨時收取。 大多數訂單滿NT$1,400 (TWD)即可免運費。 僅接受信用卡支付 |
|
美元
國際貿易術語:貨交承運人(裝運地點) 交貨時客戶負責關稅、海關規費和增值稅。 大多數訂單滿$50 (USD)即可免運費。 所有支付選項均供選擇 |